EasyManua.ls Logo

NEOPAC 06 - Page 75

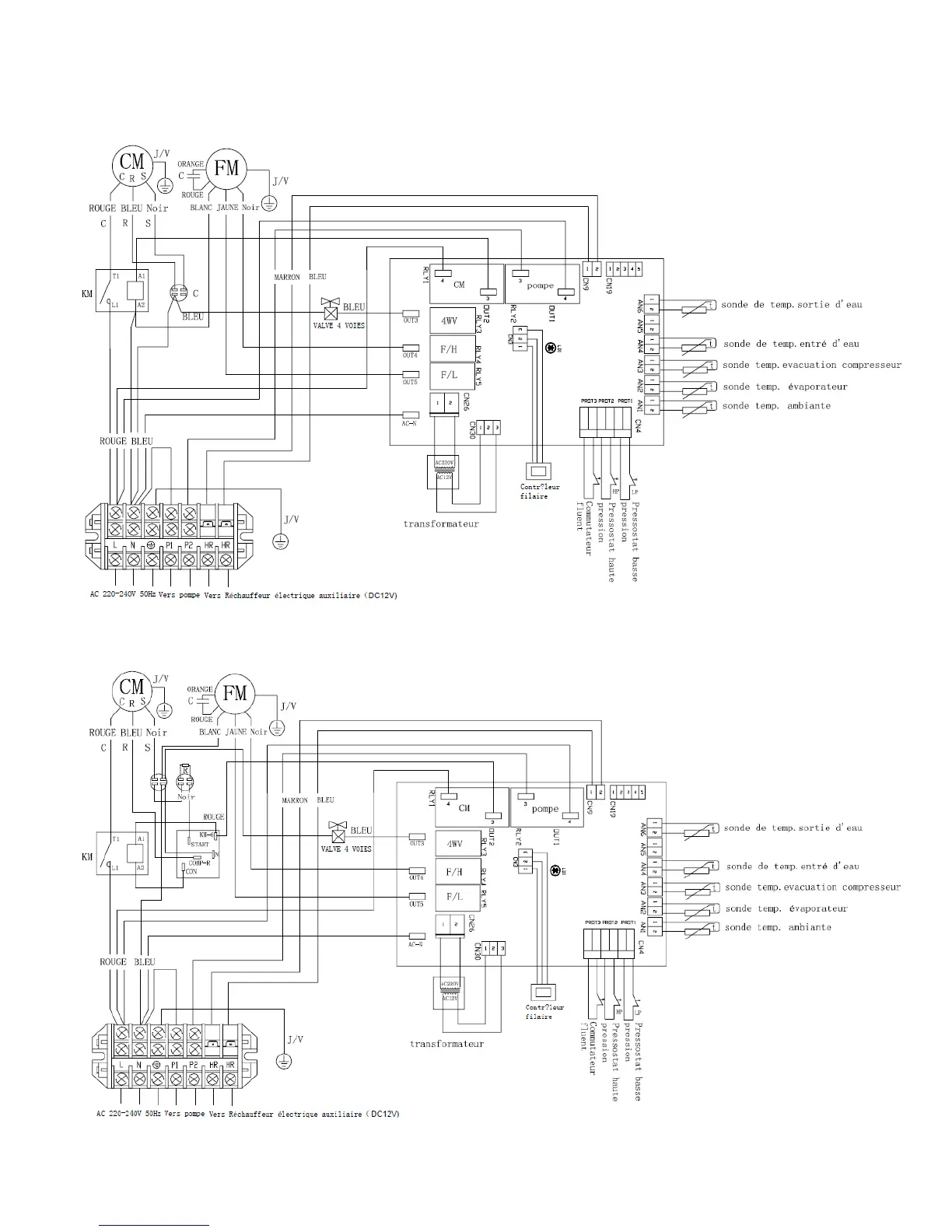
NEOPAC 06
Print Icon
To Next Page IconTo Next Page
To Next Page IconTo Next Page
To Previous Page IconTo Previous Page
To Previous Page IconTo Previous Page
Loading...
NeoPAC
- 75 -
NEOPAC08-10-12
NEOPAC15

Table of Contents

Related product manuals