EasyManua.ls Logo

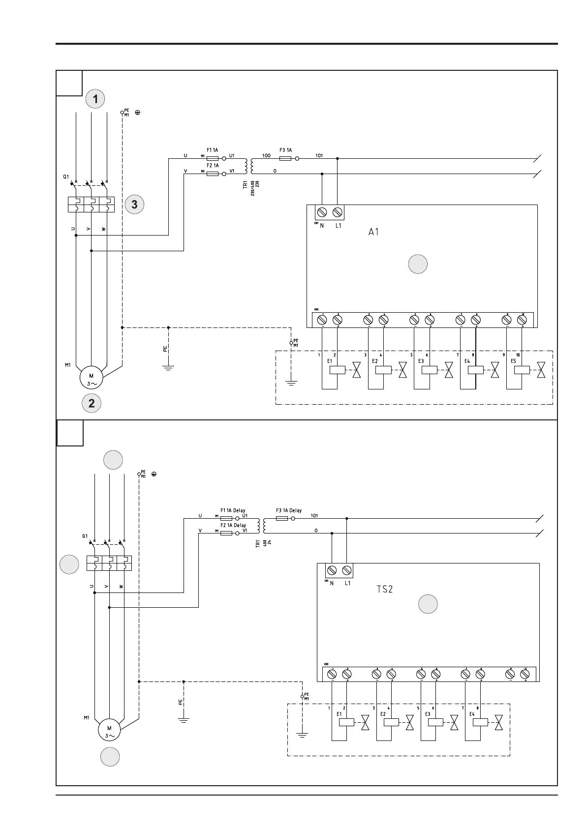
Nilfisk cfm VHW320 - Wiring Diagrams; Basic Model; Model with cartridge kit; Atex Z21 - Z22 Model

Nilfisk cfm VHW320
36 pages
Print Icon
To Next Page IconTo Next Page
To Next Page IconTo Next Page
To Previous Page IconTo Previous Page
To Previous Page IconTo Previous Page
Loading...
C393
12
09/2014
VHW320 - VHW321 - VHW420 - VHW421 - VHW440
25
1
4
3
2
26
4

Table of Contents

Related product manuals