EasyManua.ls Logo

Nippon DENON DCD-S10 - Page 34

Default Icon
52 pages
Print Icon
To Next Page IconTo Next Page
To Next Page IconTo Next Page
To Previous Page IconTo Previous Page
To Previous Page IconTo Previous Page
Loading...
@
DCD-s10/3000
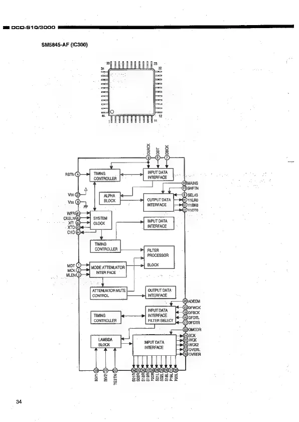
SM5845-AF
(IC300)
TIMING
CONTROLLER
MODE
ATTENUATOR
INTER
FACE
LAMBDA
BLOCK
INv1@
neĀ®
TESTN
@)
34

Related product manuals