EasyManua.ls Logo

Nissan NOTE - Page 18

Nissan NOTE
290 pages
Print Icon
To Next Page IconTo Next Page
To Next Page IconTo Next Page
To Previous Page IconTo Previous Page
To Previous Page IconTo Previous Page
Loading...
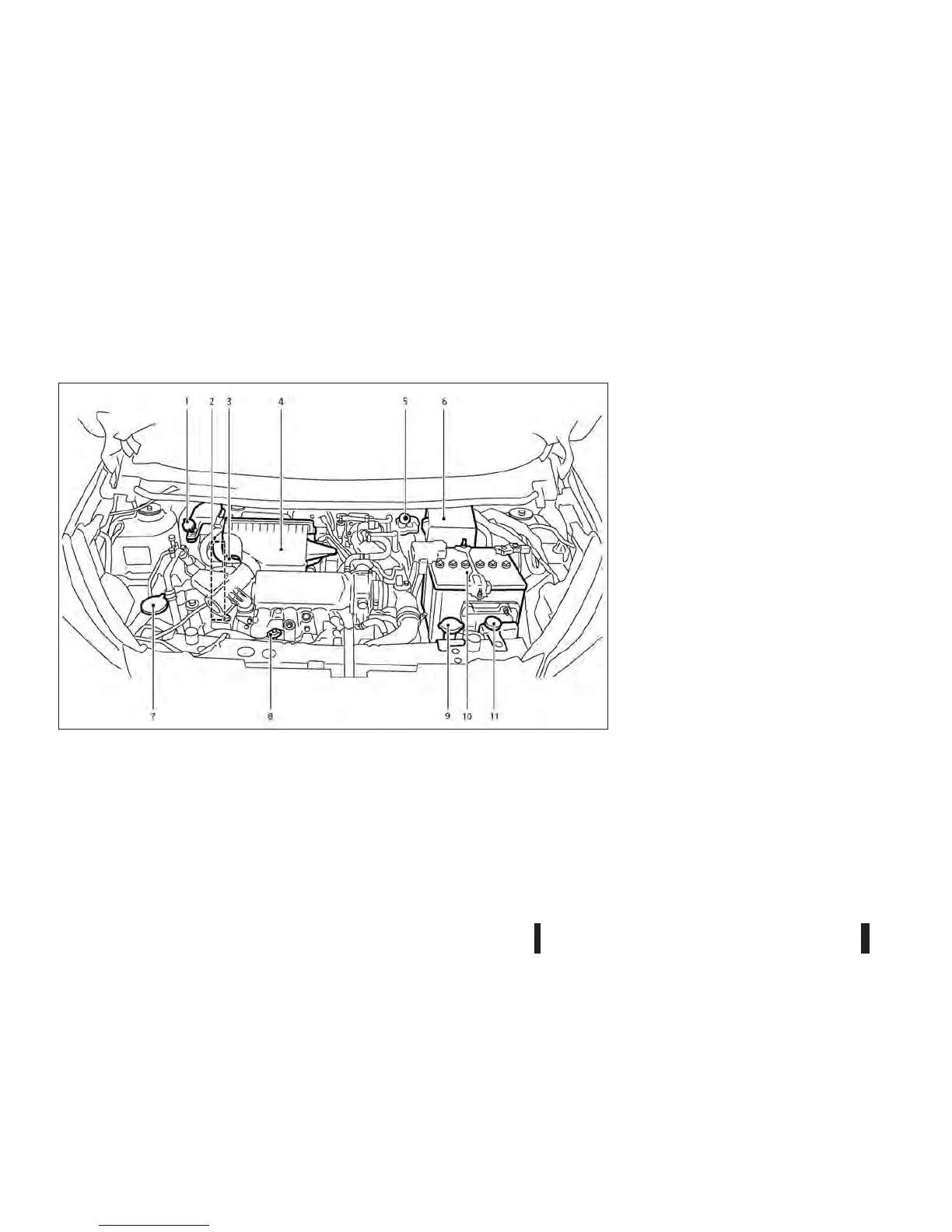
HR12DDR ENGINE MODEL
1.
Brake (and clutch Manual Transmission
models) fluid reservoir (RHD models) (P. 8-15)
2.
Engine drive belts (P. 8-12)
3.
Engine oil filler cap (P. 8-7)
4.
Air cleaner (P. 8-16)
5.
Brake (and clutch Manual Transmission
models) fluid reservoir (LHD models) (P. 8-15)
6.
Fuse/fusible link box (P. 8-22)
7.
Window washer fluid reservoir (P. 8-19)
8.
Engine oil dipstick (P. 8-7)
9.
Radiator cap (P. 8-5)
Vehicle overheat (P. 6-13)
10.
Battery (P. 8-20)
Jump starting (P. 6-11)
11.
Engine coolant reservoir (P. 8-5)
NDI1401
0-12 Illustrated table of contents

Related product manuals