EasyManua.ls Logo

Nokia 6111 - Page 4

Nokia 6111
9 pages
To Next Page IconTo Next Page
To Next Page IconTo Next Page
To Previous Page IconTo Previous Page
To Previous Page IconTo Previous Page
Loading...
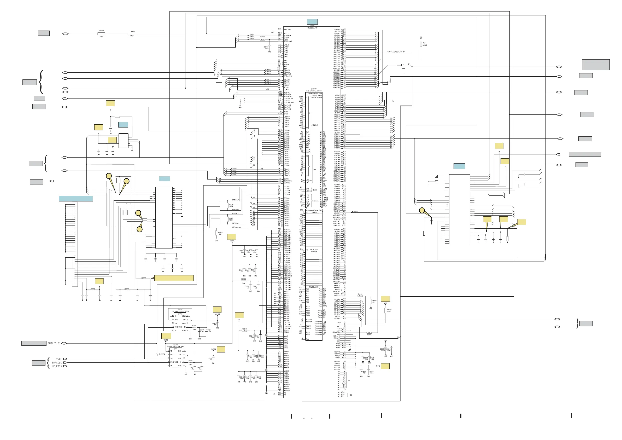
SYSCLK
SPI3
CAM_Enable_GE1
CAM_Enable_GE2
HWA-INT
HWA_WAKE
SPI1
SPI2
SPI4
26
27
28
29
R
0
22
)0
:
9
2(OIN
E
G
_UKI
T
Page 4(9)
TEMS, BT, Camera
100n
C3321
VFLASH1
27p
C3322
C3323
10n
600R/100MHz
L3320
GND GND
10p
C3307
10p
DNG
C3309
10p
600R/100MHz
L3322
C3303
100n
VDD
K10
VDD
K3
VDD
H3
VCORE
H5
VDD
H7
VCORE
H8
E1
VCORE
VDD
F10
VDD
A7
VDDPOR
A9
VDD
B1
A1,A8,B10,C5,E3,E10,H1,H4,H6,K8= GND
VCORE
A10
GND
10p
C3305
GND
C3306
27p
C3304
GND
10n
V_DIG
VANA
CCPCLK_P
XSHUTDOWN
DGND
VCAP
CCI_SCL
CCI_SDA
CCPDATA_N
AGND
EXT_CLK
CCPDATA_P
CCPCLK_N
GND
6
7
8
9
3
4
5
15
16
2
GND
1
10
11
12
13
14
GND
27p
C3326
C3320
C3324
100n
L3321
C3325
27p
USB_DIG(6:0)
RFICCTRL(2:0)
AUDIODATA(3:0)
AUDUEMCTRL(3:0)
RFCONVCTRL(2:0)
RFCONVDA (5:0)
GENIO (31:0)
GND
470n
25
C2602
VFLASH1
27p
C2603
I
NE
G_
U
K
I
T
)
0
:
9
2
(
O
SD
RXD
IRED_A
1
VBAT
GND
C2601
100n
4R7
R2600
GND
VIO
C2600
4u7
GND
LEDA
2
LEDC
TXD
4
RXD
5
6
Vcc
7 VIO
GND
8
GND 9
RPM960-H14E3A
N2600
1
PWDWN
TIKU_GPIO(63:30)
SYS_CLK
UEMEK
N2000
IACCDIF (5:0)
D8
C4
TMS
C6TDI
TCK
C7
TDO
LCDTear
R2831
100R
10p
GND
C2831
IrDa Rx
IrDa Tx
GND
TIKU_GENIO(29:0)
TIKU_GPIO(29:0)
KEYB(10:0)
AUDIODATA(3:0)
100k
R6001
J6002
J6003
J6006
J6004
J6005
J6001
J6000
13
15
22
16
12
21
20
NC
PURX
BT_ WAKEUP
NC
BT_ANT
SleepCLK
UART_RX
SleepX
UART_TX
UART_CTS_P
UART_RTS_P
NC
SYSCLK
NC
NC
HOST_WAKEUP
BT_RESETX
C6003
100n
100n
C6001
VBAT
5
STATUS
6
RF_ACTIVE
7 FREQ
TX_CONFX8
9
CLK_REQ
SLEEPX
41 GND
46 NC
33
34
UART_WAKEUP
35
GND
37
VREG_EN
38
GND
BT_WAKEUP 4
40
26
BT_PCM_CLK
BT_PCM_SYNC
GND
3
PCM_SYNC
NC
PCM_CLK
PCM_OUT
NC
PCM_IN
36 PIO1
MPX_OUT
39
27
BT_PCM_IN
28
29
30 BT_PCM_OUT
GND
31
VIO(1.8V) 32
BT_RESETX
ANTENNA
2
22 REF_CLK
23
BT_UART_TX
BT_UART_RX 24
BT_UART_CTS
25
BT_UART_RTS
14
GND
15
VBAT
SLEEPCLK
18
D6000
LBMA48EBR2-TEMP
1
GND
1u0
C6002
BUSENABLE
J6009
J6020
J6007
40
J6010
J6015
J6008
VIO
GND
20
06
R
C6004
100p
1u0
C6000
1
2
3
MI C 3P
8
MI C 3P R
MIC3NR
MIC3N 9
C6184
100n
12
C6185
100n
GND
GND
13
FM_ANT
CBUSenX
INTX
CLOCK
BUSMODE
VFLASH1
VIO
19
VAFR
20
21INTX
11CBUSDA/SDA
CBUSENX_IN
12
FMANTENNA 13
16
VFMRAD
17
BUSMODE
VAFL
10
CBUSCLK/SCL
FMANT
25
42SPI_CSB
SPI_CLK
43
44
SPI_MOSI
SPI_MISO
45
GND
E6001
E6000
J6098
J6099
DIFCTRL(3:0)
DIFDATA(7:0)
GND
PURX
SleepCLK
2
0
1
GND
NC
NC
47
48
GND GND
GND
GND
GND
GND
GND
GND
VCAM
GND
GND
Board version: 1mra_09a
Customer Care / Service & Support Readiness / Content Creation Management
Copyright © 2005 NOKIA Only for training and service purposes
Version: 1.0 21.
10.
2005
6111 RM-82
GND
100R
100R
0
2
3
3R
7
k2
12
33R
7k
2
K6
DIO12(FSO)
K7
DIO13
G8 MSDA
MSCL
F8
R3325
R3324
DIO11(PFSO)
K9
DIO10
PDATAN
DIO9
H10F1
PCLKP
PCLKN
G1
DIO8
26
27
24
25
(shutdown)
SCL
CamClk
CamVctrl
SDA
J1
DIO4
K1
DIO6
K4
DIO7
K5
G3
DIO3
CLK
E8
PDATAP
F3
G10
C8
PDN
SSDA
D10
A4
RST
A5
A6
C10
SSCL
STV0976
D3300
DIO2
DIO1
A3
DIO0
CCPCLK_N
CCPDATA_P
CCPCLK_P
CCPDATA_N
2
0
3
HDATAP
D1
HCLKN
HDATAN
D3
HCLKP
C1
C3
FSO
7k
2
7k2
203
3
R
UEMEK
KEY_UI
System connector
UEMEK
KEY_UI
UEMEK
RF- IC
KEY_UI
RF- IC
UEMEK
TEMS
BTFM
HWA
IRDA
Camera connector
UEMEK, Zocus
KEY_UI, UEMEK,
RF-IC, N2000
KEY_UI
TIKU_GPIO(63:30)
KEY_UI
BT PCM out
BT PCM in
FM_INT
BT PCM sync
BT PCM Clk
keyboard
keyboard
keyboard
keyboard
keyboard
keyboard
keyboard
keyboard
keyboard
keyboard
keyboard
keyboard
keyboard
BT Wake-up
EARDATAR
BT UART TX
CamClk
BT UART RTS
SCL (I2C) Cam
BT UART CTS
MassMem_Int
Ext VPPEnX
BT_ResetB
Cam Enable
SDA (I2C) Cam
BT UART RX
BT Host Wake-up
IrDa SD
AudioClk
Edge Mode
LCD Reset
Helga Reset
TXP
TXA
600R/100MHz
C3308
K2
DIO5
A2
J1 0
1
DATA
SleepX
100n
X3320
GND
GND
POR
1
2.8V
1.8V
1.8V
1.6V
1.8V
~4V
1.6V
2.8V
1.8V
3
4
5
6
~ 4V
~4V
1.8V
1.8V
~ 4V
103
3
R
3
TXD
0
1.8V
2.8V
1.8V if camera active
XAUDIO(17:0)

Other manuals for Nokia 6111

Related product manuals