EasyManua.ls Logo

Nokia N900 - Page 179

Nokia N900
202 pages
To Next Page IconTo Next Page
To Next Page IconTo Next Page
To Previous Page IconTo Previous Page
To Previous Page IconTo Previous Page
Loading...
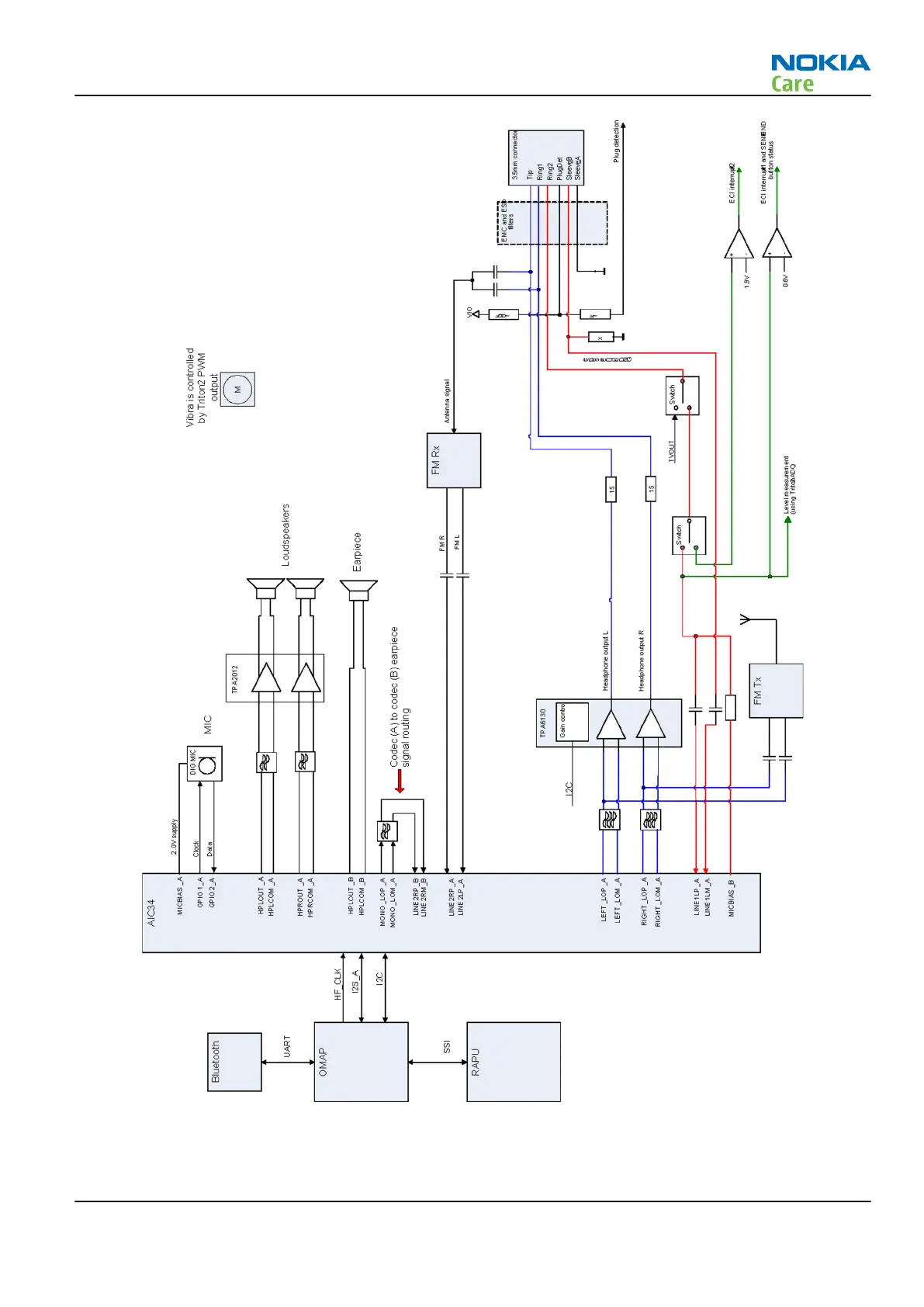
Figure 57 Audio HW block diagram
RX-51
System Module
Issue 1 COMPANY CONFIDENTIAL Page 6 –19
Copyright © 2009 Nokia. All rights reserved.

Table of Contents

Other manuals for Nokia N900

Related product manuals