EasyManua.ls Logo

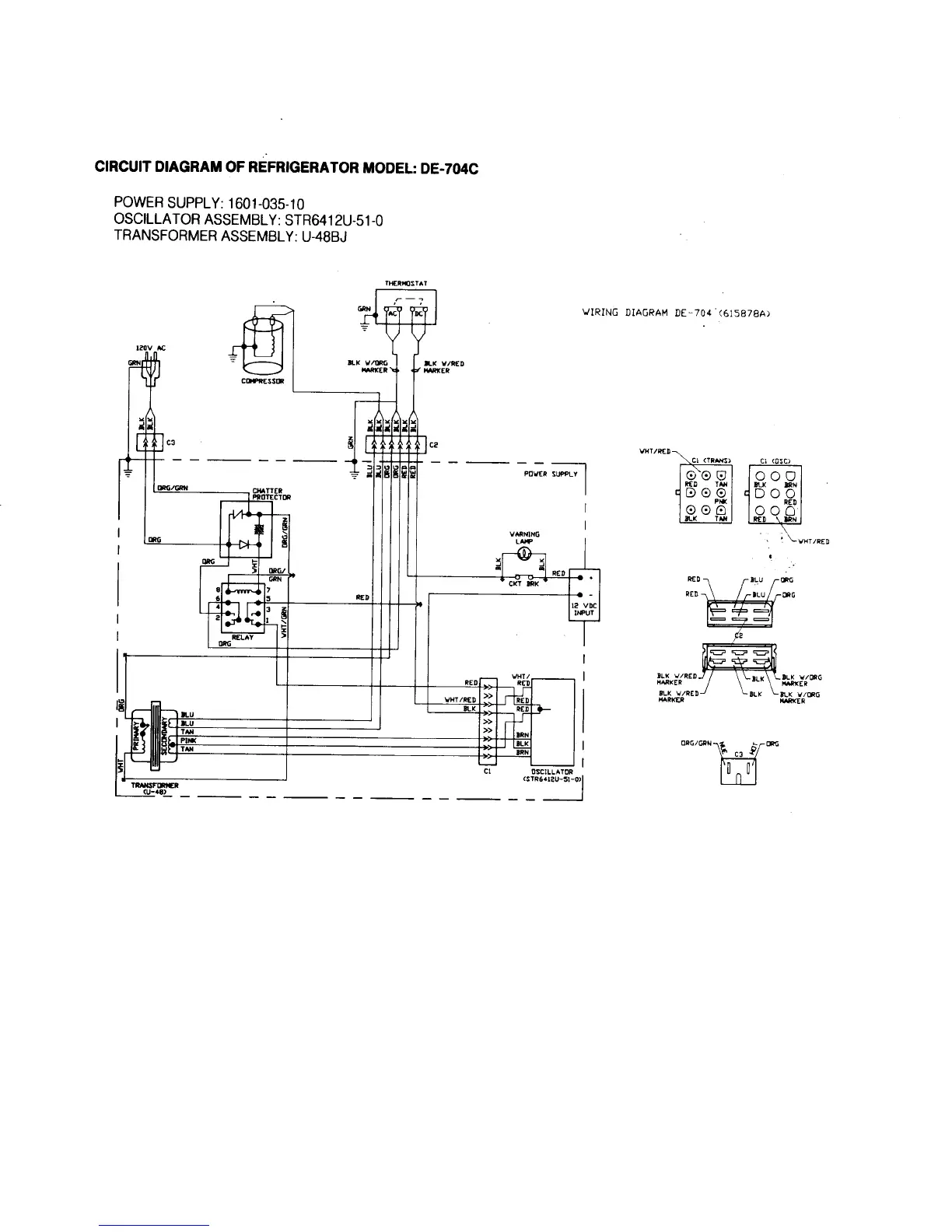
Norcold DE 250F - Circuit Diagram: DE-704 C; DE-704 C Wiring Diagram

Norcold DE 250F
29 pages
Print Icon
To Next Page IconTo Next Page
To Next Page IconTo Next Page
To Previous Page IconTo Previous Page
To Previous Page IconTo Previous Page
Loading...
16

Related product manuals