EasyManua.ls Logo

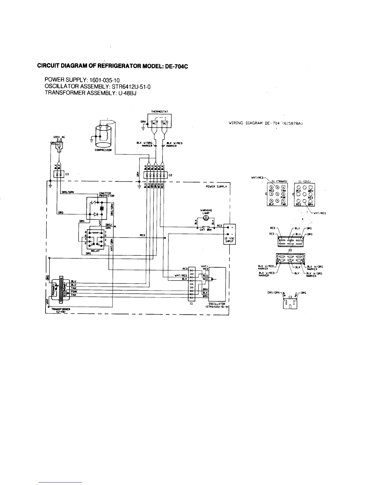
Norcold DE 251D - DE-704 C Circuit Diagram

Norcold DE 251D
29 pages
Print Icon
To Next Page IconTo Next Page
To Next Page IconTo Next Page
To Previous Page IconTo Previous Page
To Previous Page IconTo Previous Page
Loading...
16

Related product manuals