EasyManua.ls Logo

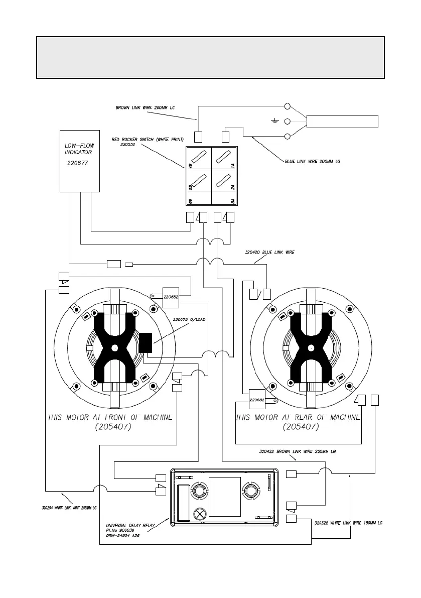
Numatic HZ 200 - WD-0229 Metal 3 Core Schematic

Numatic HZ 200
24 pages
Print Icon
To Next Page IconTo Next Page
To Next Page IconTo Next Page
To Previous Page IconTo Previous Page
To Previous Page IconTo Previous Page
Loading...
20
14 inch Metal 3 core
WD-0229 (A05)

Other manuals for Numatic HZ 200

Related product manuals