EasyManua.ls Logo

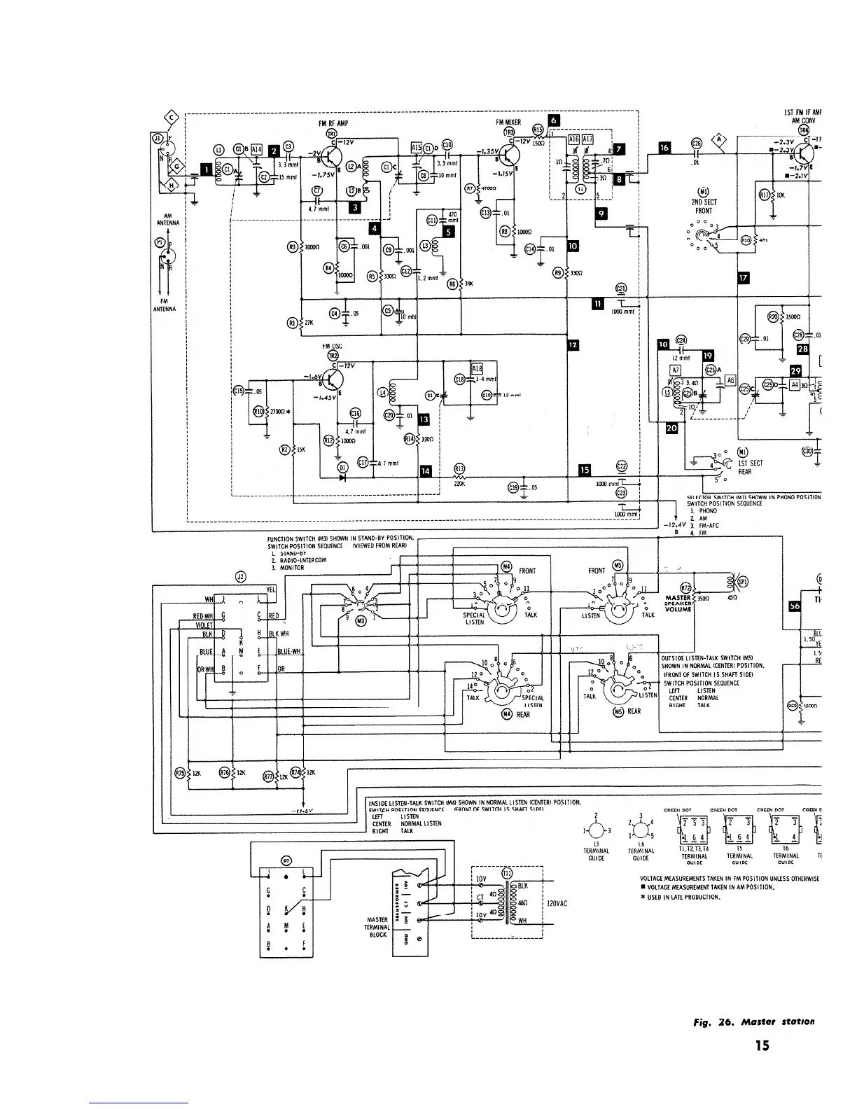
NuTone 2561 - Master Station Schematic Diagram

NuTone 2561
38 pages
Print Icon
To Next Page IconTo Next Page
To Next Page IconTo Next Page
To Previous Page IconTo Previous Page
To Previous Page IconTo Previous Page
Loading...

Related product manuals