EasyManua.ls Logo

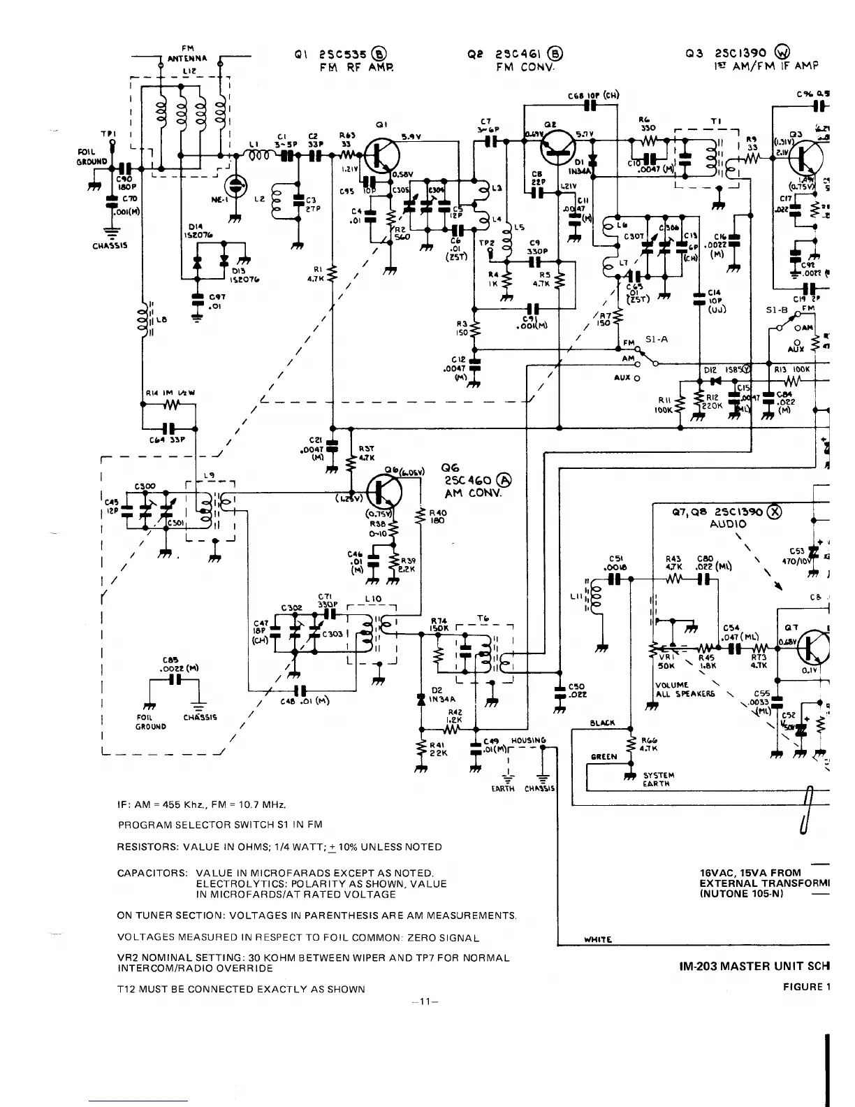
NuTone IM-203 - Master Unit Schematic Diagram; Tuner and Amplifier Circuits

NuTone IM-203
25 pages
Print Icon
To Next Page IconTo Next Page
To Next Page IconTo Next Page
To Previous Page IconTo Previous Page
To Previous Page IconTo Previous Page
Loading...

Related product manuals