EasyManua.ls Logo

NXP Semiconductors MKL25Z128VLK4 - Freescale Semiconductor, Inc

NXP Semiconductors MKL25Z128VLK4
807 pages
To Next Page IconTo Next Page
To Next Page IconTo Next Page
To Previous Page IconTo Previous Page
To Previous Page IconTo Previous Page
Loading...
H 8 7 6 5 4 3 2 1 0 L
UART_D – Tx Buffer
(Write-Only)
Internal Bus
Stop
11-BIT Transmit Shift Register
Start
SHIFT DIRECTION
lsb
1 Baud
Rate Clock
Parity
Generation
Transmit Control
Shift Enable
Preamble (All 1s)
Break (All 0s)
UART Controls TxD
TxD Direction
TO TxD
Pin Logic
Loop
Control
To Receive
Data In
To TxD Pin
Tx Interrupt
Request
LOOPS
RSRC
TIE
TC
TDRE
M
PT
PE
TCIE
TE
SBK
T8
TXDIR
Load From UARTx_D
TXINV
BRK13
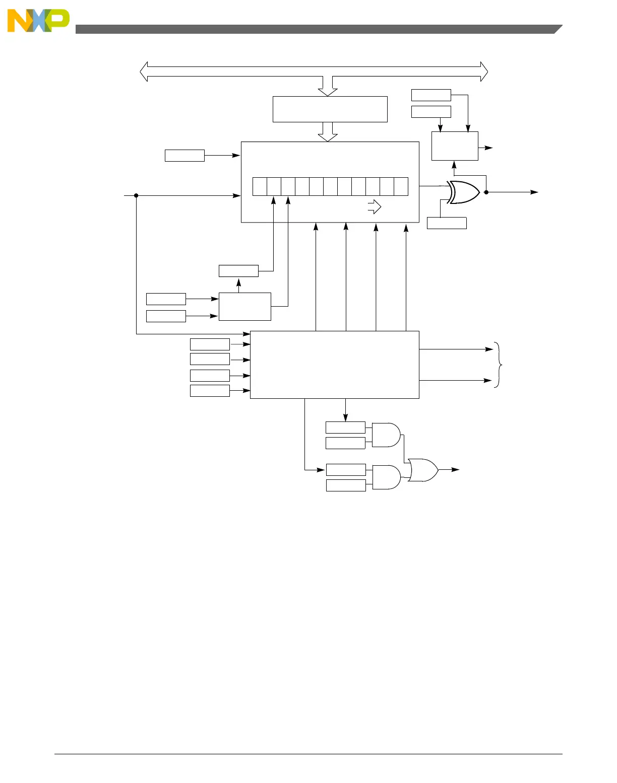
Figure 39-1. UART transmitter block diagram
The following figure shows the receiver portion of the UART.
Chapter 39 Universal Asynchronous Receiver/Transmitter (UART0)
KL25 Sub-Family Reference Manual, Rev. 3, September 2012
Freescale Semiconductor, Inc. 723

Table of Contents

Related product manuals