EasyManua.ls Logo

Omnitec FLAT-2 - Installation Requirements

Default Icon
12 pages
Print Icon
To Next Page IconTo Next Page
To Next Page IconTo Next Page
To Previous Page IconTo Previous Page
To Previous Page IconTo Previous Page
Loading...
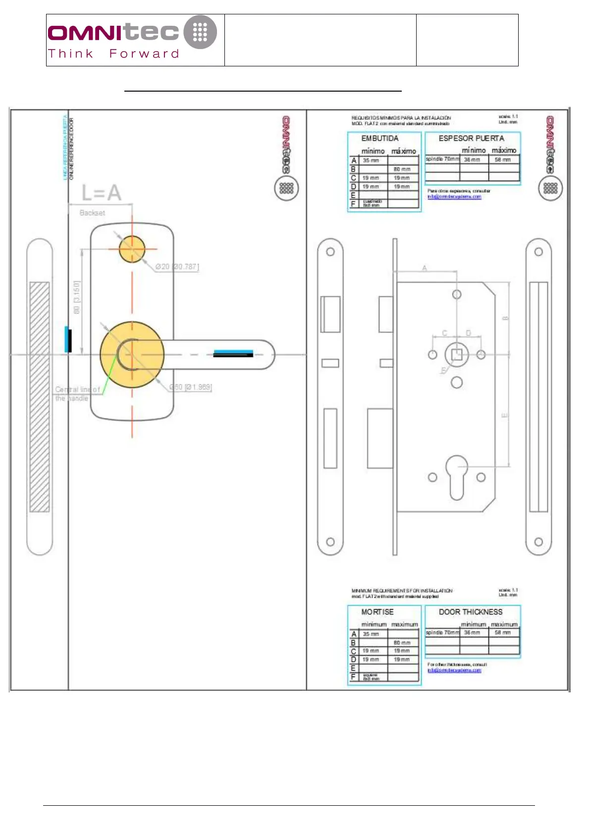
Lock Installation Instructions
FLAT2
FECHA:
Pg. 2 / 12 ESP Rev 02
REQUIREMENTS FOR THE INSTALLATION OF THE LOCK.