EasyManua.ls Logo

Omnitronic SM240 - Page 7

Omnitronic SM240
14 pages
Print Icon
To Next Page IconTo Next Page
To Next Page IconTo Next Page
To Previous Page IconTo Previous Page
To Previous Page IconTo Previous Page
Loading...
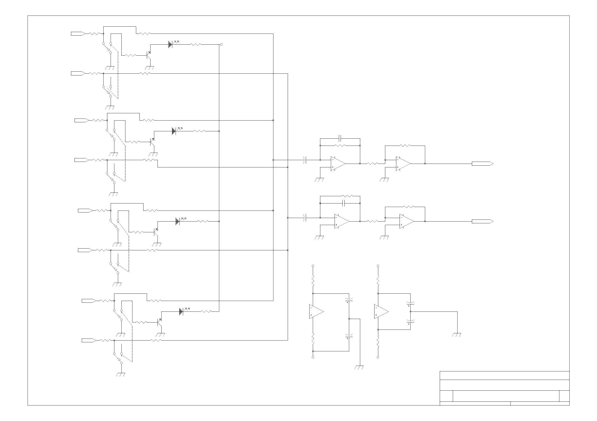
Date: November 23, 1998 Sheet 5 of 11
Size Document Number REV
B SM240E.SCH A
Title
YAM\SM240. CUE/SW
BIG CO LTD
-VA/-12V
LED 101A
LED
R118A
1K
1
2 3
A
R116A
39K
R117A
39K
Q102A
2SC1815
A
R114A
4.7K
B
R115A
4.7K
1
2 3
SW107A
R119A
39K
8
R120E 10K
R120C
10K
2
3
1
IC102AA
4558P
8+
C105A
47uF/16V
C106A
22pF
R120A
150K
2
3
1
IC102A
4558P
LED 101B
LED
R118B
1K
1
2 3
A
R116B
39K
R117B
39K
R119B
39K
Q102B
2SC1815
C
D
R115B
4.7K
R114B
4.7K
1
2 3
SW108A
R114C
4.7K
R116C
39K
4
R120B
150K
C106B
22pF
4
R120F
10K
CUE/L
CUE/R
R120D
10K
6
5
7
IC102BB
4558P
6
5
7
IC102BB
4558P
+
C105B
47uF/16V
R118C
1K
LED 101C
LED
1
2 3
A
R115C
4.7K
R117C
39K
R119C
39K
Q102C
2SC1815
E
F
G
1
2 3
SW109A
R114D
4.7K
R116D
39K
-VA
R122A
22
8
4
IC102AC
4558P
C108A
47UF/16V
-VA
8
4
IC102C
4558P
8
R122
22
C108
47UF/16V
+VB
4
R123
22
C109
47UF/16V
+VB
R123A
22
C109A
47UF/16V
LED 101D
LED
R118D
1K
1
2 3
A
1
2 3
SW110A
R115D
4.7K
R117D
39K
R119D 39K
Q102D
2SC1815
H
OMNITRONIC ®

Related product manuals