EasyManua.ls Logo

Omron R88M-K40030H-S2 - System Block Diagram

Omron R88M-K40030H-S2
484 pages
To Next Page IconTo Next Page
To Next Page IconTo Next Page
To Previous Page IconTo Previous Page
To Previous Page IconTo Previous Page
Loading...
1-6
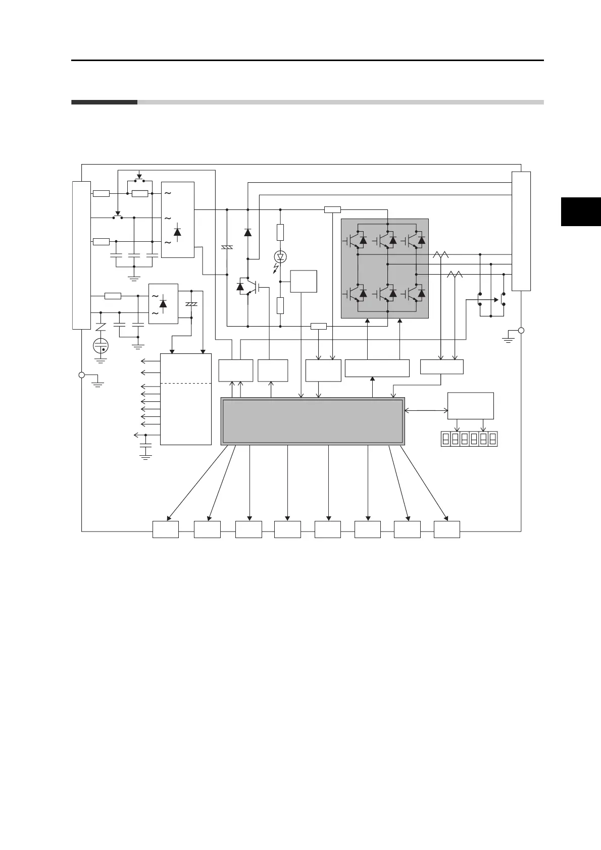
1-4 System Block Diagram
1
OMNUC G5-series AC Servomotors and Servo Drives User’s Manual (with Built-in EtherCAT Communications)
Features and System Configuration
1-4 System Block Diagram
This is the block diagram of the OMNUC G5-series AC Servo Drive with Built-in EtherCAT
Communications.
R88D-KNA5L-ECT-R/-KN01L-ECT-R/-KN02L-ECT-R
R88D-KN01H-ECT-R/-KN02H-ECT-R/-KN04H-ECT-R
Display and
setting circuit
area
External
encoder
Analog
monitor
USB Safety
Control
interface
Encoder
EtherCAT
communications
connector
EtherCAT
communications
connector
FG
L2C
L1C
L3
L2
L1
FUSE
FUSE
FUSE
CN A
+
+
15 V
G1
5 V
2.5 V
1.5 V
±12 V
E5V
G2
3.3 V
FG
CN2 CN4 CN5 CN7
B1
B2
B3
CN B
U
V
W
CN8CN1
ECAT
IN
ECAT
OUT
Gate drive
SW power
supply main
circuit control
Internal
control power
supply
Overcurrent
detection
Current detection
Regeneration
control
Relay
drive
MPU & ASIC
Position, speed, and torque calculation control area
• PWM control
Voltage
detection

Table of Contents

Related product manuals