EasyManua.ls Logo

ON Semiconductor NCP1392B - Page 19

Default Icon
28 pages
Print Icon
To Next Page IconTo Next Page
To Next Page IconTo Next Page
To Previous Page IconTo Previous Page
To Previous Page IconTo Previous Page
Loading...
AND8344/D
www.onsemi.com
19
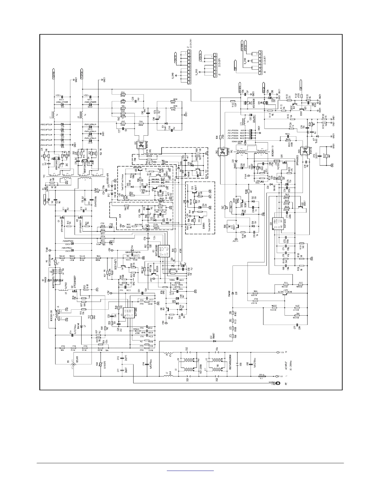
Figure 47. Schematic of the SMPS