EasyManua.ls Logo

Onkyo TX-SR701 - More Remote Controller Functions; INPUT SELECTOR buttons; Numeric key and mode buttons; LIGHT button

Onkyo TX-SR701
80 pages
To Next Page IconTo Next Page
To Next Page IconTo Next Page
To Previous Page IconTo Previous Page
To Previous Page IconTo Previous Page
Loading...
TX-SR701
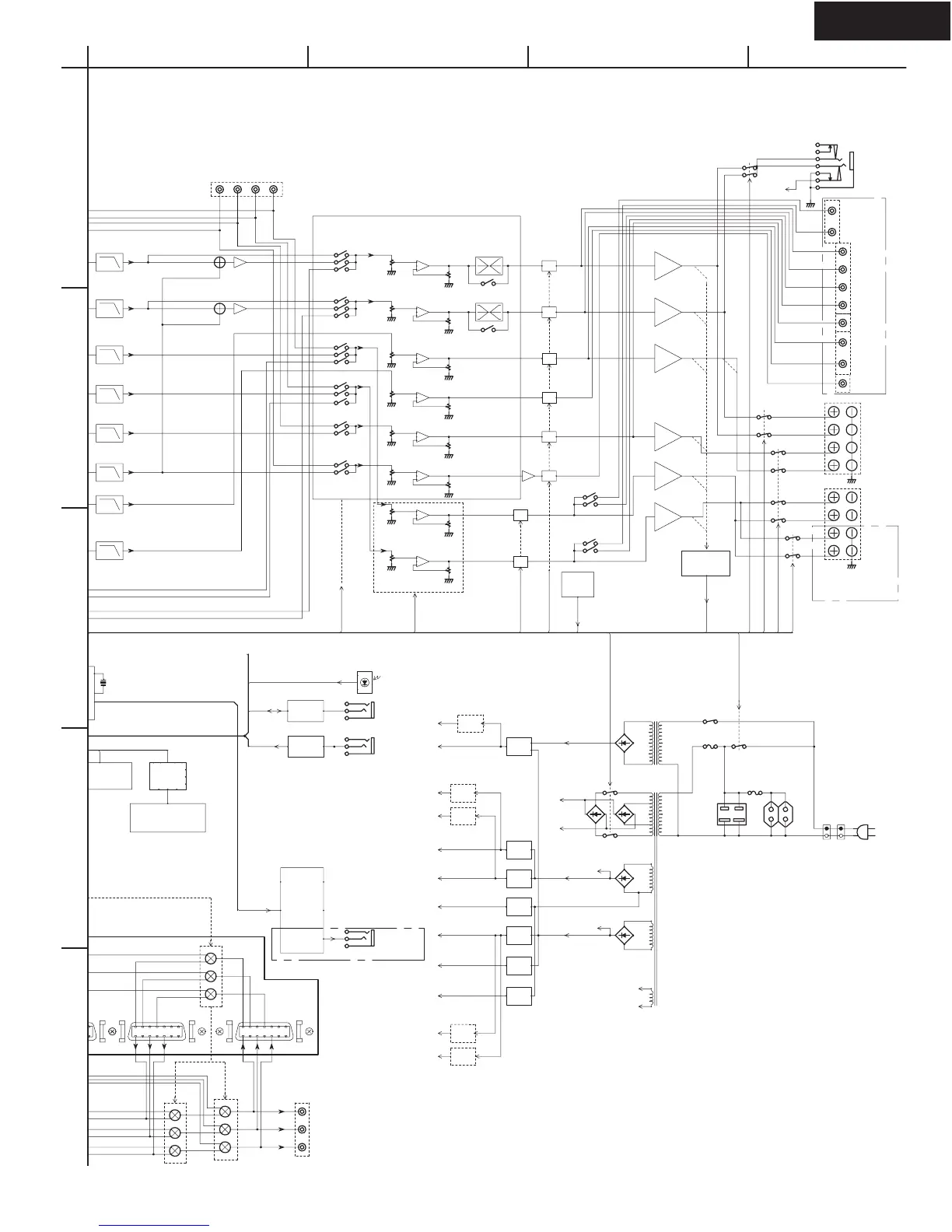
BLOCK DIAGRAM - 2
A
1
2
3
4
5
BCD
14
7
O
INPUT 1
148
7
1
D4 VIDEO OUTPUT
148
7
1
D4 VIDEO INPUT 2
P
ZONE 2
L
R
(ONLY TX)
(EXCEPT OF MJJ)
P
SBL
SBR
FRONT SPEAKERS
LEFT
RIGHT
CENTER
SBL
SURROUND SPEAKERS
LEFT
RIGHT
(EXCEPT OF MJJ)
ZONE2 SPEAKERS
RIGHT
LEFT
AC OUTLET
FUSE
FUSE
SUBWOOFER
C
SW->R
SW->L
MUTE
MUTE
MUTE
MUTE
THERMAL
SENSOR
MUTE
MUTE
MUTE
MUTE
+3.3V
STANDBY
+5.6V
STANDBY
-5V
VIDEO
+5V
+5V
+3.3V
DSP
+2.85V
DSP
+5V
VIDEO
+5V
DSP
-27V
-VP
-12V
AUDIO
+12V
AUDIO
+12V
+7V
AUDIO
-12V
-7V
AUDIO
+5.6V
VOLTAGE SENSOR
CURRENT SENSOR
12V
TRIGGER
CONTROL
IR
DE-MODULATOR
12V TRIGGER
+B3
RELAY
+B2
FLAC
FL TUBE
FLAC
MAIN AMP
+B1/-B1
RI
INTERFACE
16MHZ
PREOUT
L
R
SL
SR
MULTICHANNEL INPUT
SW C SR
SL
COMPONENT VIDEO OUITPUT
Y
CB
CR
HEAD PHONE
REMOTE SENSOR
IRIN
ZONE2
(EXCEPT OF MJJ)
RI
T902
T901
AC IN
BASS/TREBLE
BASS/TREBLE
BD3811K1
(2/2)
-1
-1
LED DRIVER
PURE AUDIO LED
STANDBY LED
50KLPF
50KLPF
50KLPF
VLSC
VLSC
VLSC
50KLPF
50KLPF
BD3812
BD3812
MASTER VOLUME
CUT
BOOST
BYPASS
BYPASS
Z2R
Z2L
DSW
MCSW
DC
MCC
BL
TL
DL
BR
TR
DR
MCSR
DSR
DSL
MCSL
EXCEPT MDD
TV-5
POWER SW
TV-8
HPEN
HPMUT
VOLH
FLRL
CSRL
Z2RL
Z2MUTE
AUMUT
POWER
SEC1H
only MJJ
Z2R/SR PREOUT
Z2L/SL PREOUT
+15dB
SW
BR
BL
Z2R/SR
Z2L/SL
S
W
C
R
L
Z2L/SL
Z2R/SR
C
SBR
SBL
R
L
+29dB
+29dB
RL2201- 2204
74HC4053
K
ey Matrix
m
e Control
+29dB
+29dB
+29dB
+29dB
Power Amplifier
Page 13

Other manuals for Onkyo TX-SR701

Related product manuals