EasyManua.ls Logo

Opel 1900 - Page 54

Opel 1900
64 pages
Print Icon
To Next Page IconTo Next Page
To Next Page IconTo Next Page
To Previous Page IconTo Previous Page
To Previous Page IconTo Previous Page
Loading...
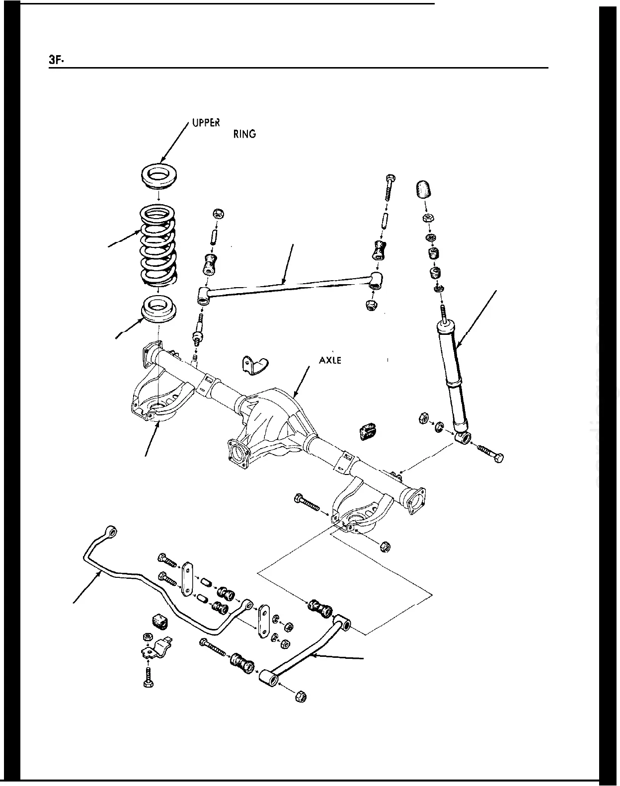
3F- 54 1973 OPEL SERVICE MANUAL
/
UPPER RUBBER
DAMPER
RING
COIL SPRING
TRACK ROD
LOWER RUBBER
DAMPER RING
REAR AX;E ASSEMBLY
COIL SPRING SEAT
STABILIZER ROD
$3
SHOCK ABSORBER
LOWER CONTROLARM
Figure 3F.5 Exploded View Rear Suspension
cardiagn.com

Related product manuals