EasyManua.ls Logo

paasche D3000 - D3000 Air Compressor Parts List and Diagram

paasche D3000
2 pages
Print Icon
To Previous Page IconTo Previous Page
To Previous Page IconTo Previous Page
Loading...
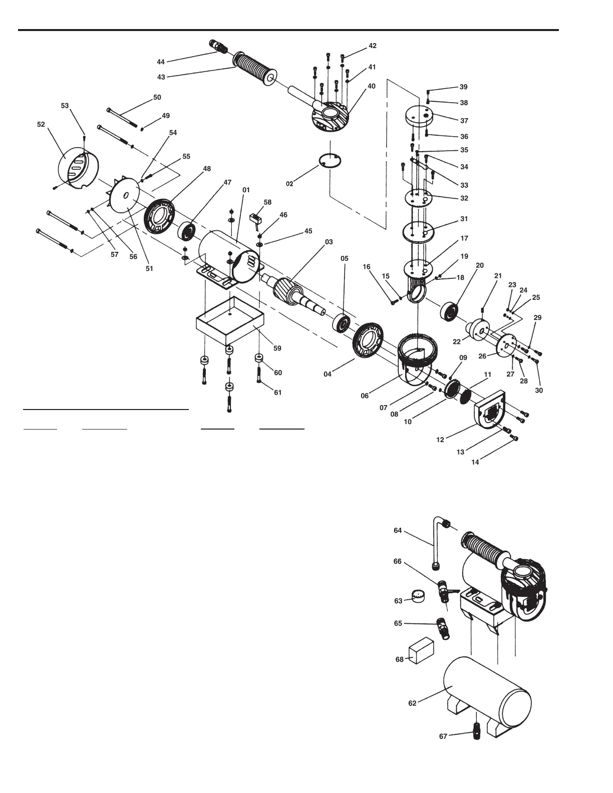
D3000
AIR COMPRESSOR & TANK
Part No. Description
D3000-01 Housing
D3000-02 Bolster
D3000-03 Armature
D3000-04 Front Body Cover
D3000-05 Bearing
D3000-06 Air Tank
D3000-07 Washer
D3000-08 Screw
D3000-09 Nut
D3000-10 Silencer
D3000-11 Silencer Sponge
D3000-12 Silencer Cap
D3000-13 Screw
D3000-14 Screw
D3000-15 Washer
D3000-16 Screw
D3000-17 Air Tank Bracket
D3000-18 Washer
D3000-19 Nut
D3000-20 Bearing
D3000-21 Screw
D3000-22 Eccentric Seat
D3000-23 Nut
D3000-24 Washer
D3000-25 Washer
D3000-26 Set Plate
D3000-27 Washer
D3000-28 Screw
D3000-29 Washer
D3000-30 Screw
D3000-31 Diaphragm
D3000-32 Set Plate
D3000-33 Reed Valve
D3000-34 Screw
Part No. Description
D3000-35 Screw
D3000-36 Screw
D3000-37 Air Valve Plate (Up)
D3000-38 Air Valve
D3000-39 Spring
D3000-40 Air Outlet
D3000-41 Washer
D3000-42 Screw
D3000-43 Handle
D3000-44 Outlet Screw
D3000-45 Washer
D3000-46 Nut
D3000-47 Bearing
D3000-48 Rear Body Cover
D3000-49 Washer
D3000-50 Screw
D3000-51 Fan
D3000-52 Fan Cap
D3000-53 Screw
D3000-54 Washer
D3000-55 Screw
D3000-56 Washer
D3000-57 Nut
D3000-58 Switch
D3000-59 Base
D3000-60 Mounting Pad
D3000-61 Screw
D3000-62 Air Tank
D3000-63 Pressure Gauge
D3000-64 Air Hose Set
D3000-65 Adapter 1/8"
D3000-66 Air Flow Valve
D3000-67 Pressure Release Screw
D3000-68 Air Pressure Auto Switch
Page 2 Paasche D3000 Air Compressor

Related product manuals