EasyManua.ls Logo

PAC AL - Page 21

PAC AL
30 pages
Print Icon
To Next Page IconTo Next Page
To Next Page IconTo Next Page
To Previous Page IconTo Previous Page
To Previous Page IconTo Previous Page
Loading...
INSTALLATION AND OPERATION MANUAL
PAC HEAT RECOVERY WATER HEATER
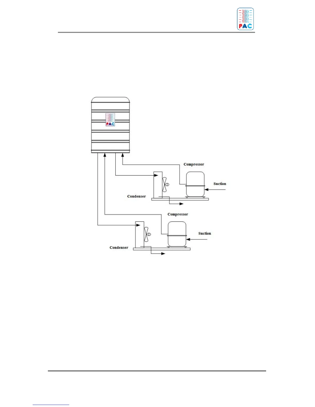
Figure 18 : Typical Dual Refrigeration Unit Piping
21