EasyManua.ls Logo

Pacbrake Inline Mount - Page 15

Default Icon
17 pages
Print Icon
To Next Page IconTo Next Page
To Next Page IconTo Next Page
To Previous Page IconTo Previous Page
To Previous Page IconTo Previous Page
Loading...
INLINE MOUNT Exhaust Brakes
INSTALLATION MANUAL - L2031
PG. 15
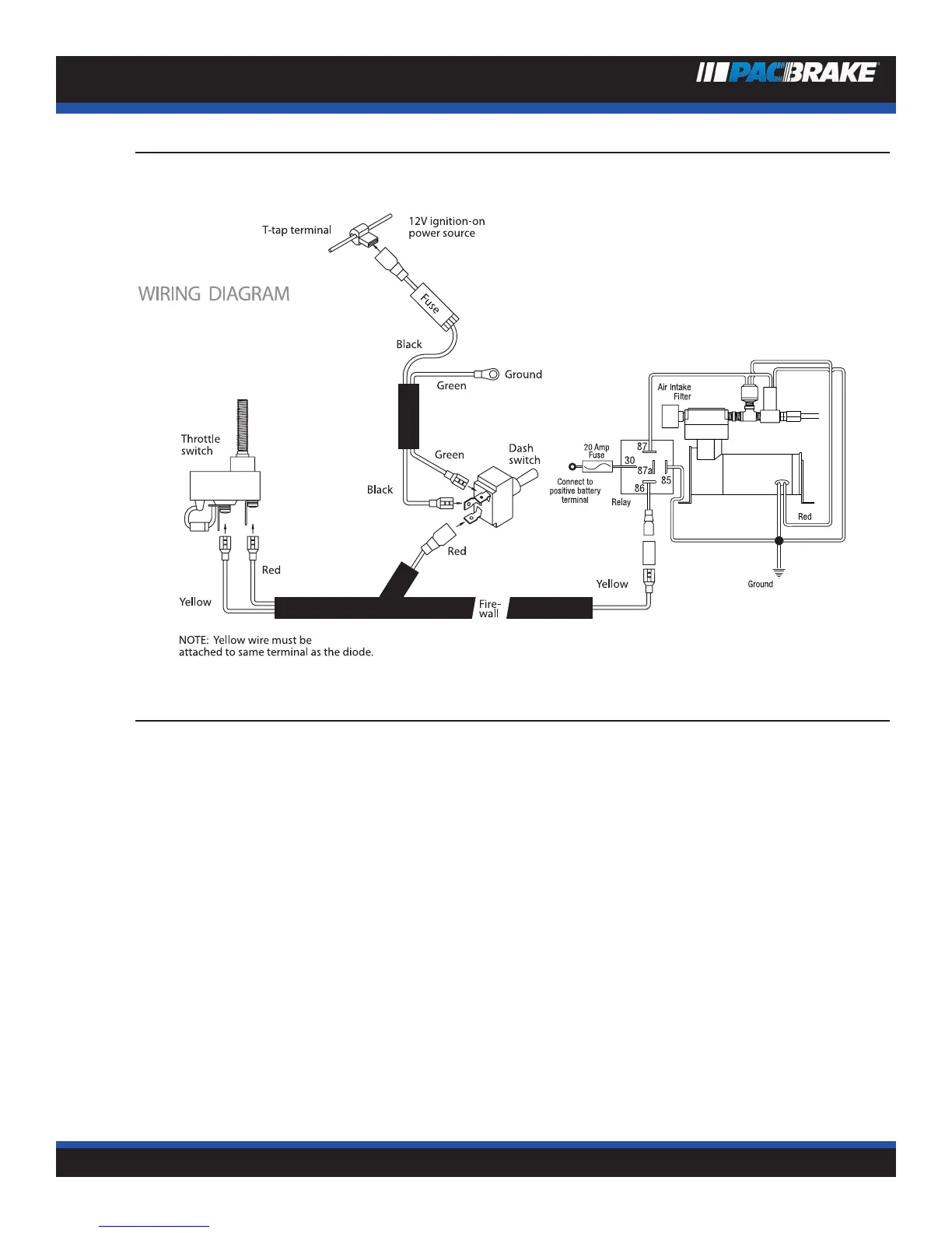
EXHAUST BRAKE WIRING SCHEMATIC
Pre 1999 Dodge 12 Valve Mechanical
CAB WIRING
Switch location can vary depending on customer choice or the availability of space. Choose a location which is convenient to the
driver. Pacbrake offers a gear lever mounted switch for manual transmission equipped vehicles. (It is a good idea to consult the
operator of the vehicle for their preference.) Most importantly, locate an area which is free from obstruction. Remove lower dash
panel for access.
At the base of the steering column locate ignition power supply.
1988 to 1993 models use medium blue 12 gauge wire, rear of the fuse panel.
1994 to 1997 models use medium blue 14 gauge
1998 models use black with orange trace
Install the “t-tap” connector on the power supply and attach the black wire from the fuse harness.
Route the fuse harness to the dash switch and connect the green wire to the top terminal, connect the black wire to the center
terminal. Connect the red wire of the main harness to the lower terminal on the switch.
Route the main harness to the throttle switch and connect the yellow wire to the terminal with the diode and red wire to the other
terminal.
Feed the loomed yellow wire through the boot beside the steering column into the engine compartment. Secure all wiring from
moving parts using plastic ties provided. Reinstall the lower dash panel removed earlier.