EasyManua.ls Logo

Pacbrake Inline Mount - Page 9

Default Icon
17 pages
Print Icon
To Next Page IconTo Next Page
To Next Page IconTo Next Page
To Previous Page IconTo Previous Page
To Previous Page IconTo Previous Page
Loading...
INLINE MOUNT Exhaust Brakes
INSTALLATION MANUAL - L2031
PG. 9
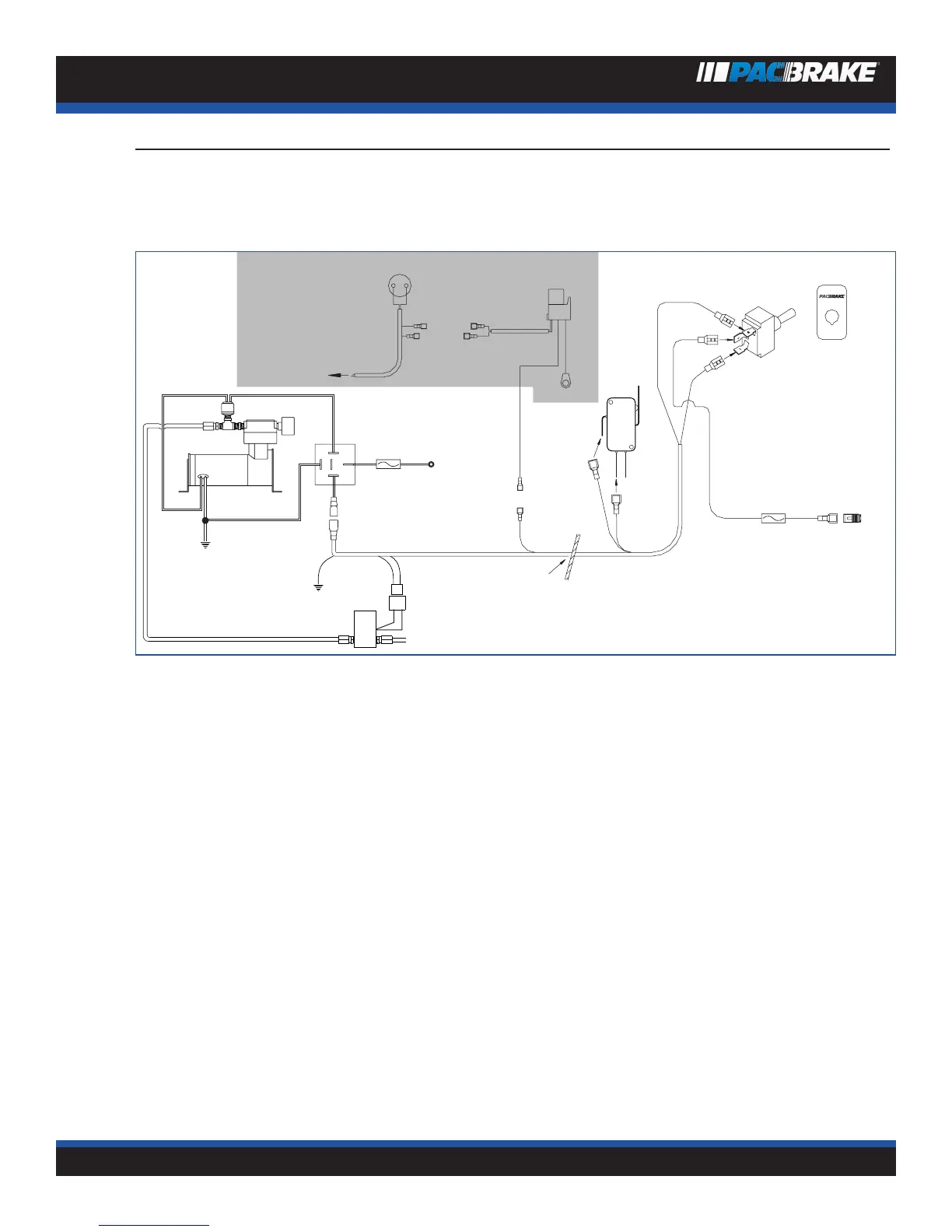
EXHAUST BRAKE WIRING SCHEMATIC
Pre 1998 Ford Trucks and Econoline Vans Equipped With
Powerstroke
Ford® Brake Pressure switch
Blk./Yel. Blue
Red
Dash
switch
OFF
Red
Red
Red
Red
Red
Black
15 Amp
Fuse
12V+
Ignition
Switched
Green
Black
Firewall
Blk./Yel.
To Ford® PCM
Blue
Cruise
Relay
Green
NOTE:
SHADED AREA
APPLIES TO
CRUISE
CONTROL
VEHICLES
Red
Ground
Relay
Air Intake
Filter
20 Amp
Fuse
Connect to
positive battery
terminal
87
30
87a
85
86
Red
Green
To Brake
Throttle
Switch
Green