EasyManua.ls Logo

Panasonic CQ-C1323NW - Page 28

Panasonic CQ-C1323NW
30 pages
To Next Page IconTo Next Page
To Next Page IconTo Next Page
To Previous Page IconTo Previous Page
To Previous Page IconTo Previous Page
Loading...
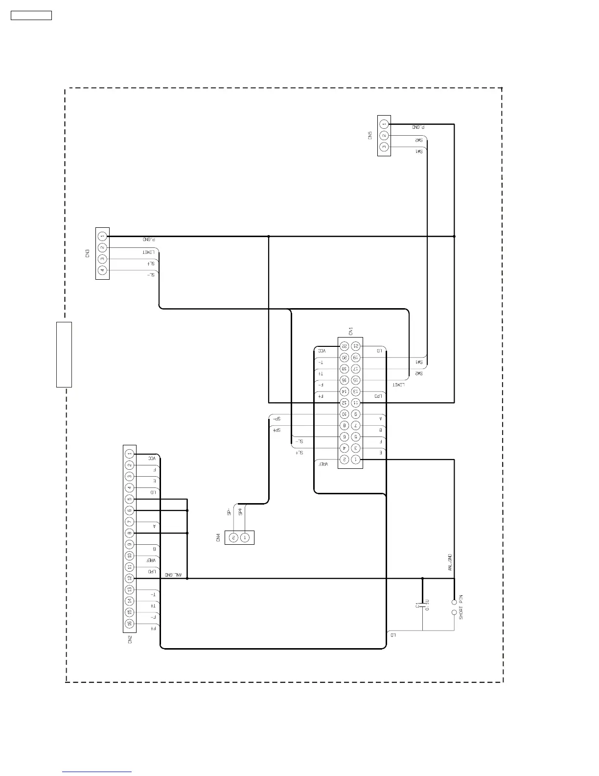
18.2. CD Interface Block
E-4C288
CQ-C1303H/C1303U/C1303NE/C1303NW/C1313NE/C1313NW/C1323NE/C1323NW/C1333U/C1333W CD
BLOCK
INTERFACE
28
CQ-C1323NW

Other manuals for Panasonic CQ-C1323NW

Related product manuals