EasyManua.ls Logo

Panasonic CQ-RDP152N

Panasonic CQ-RDP152N
28 pages
To Next Page IconTo Next Page
To Next Page IconTo Next Page
To Previous Page IconTo Previous Page
To Previous Page IconTo Previous Page
Loading...
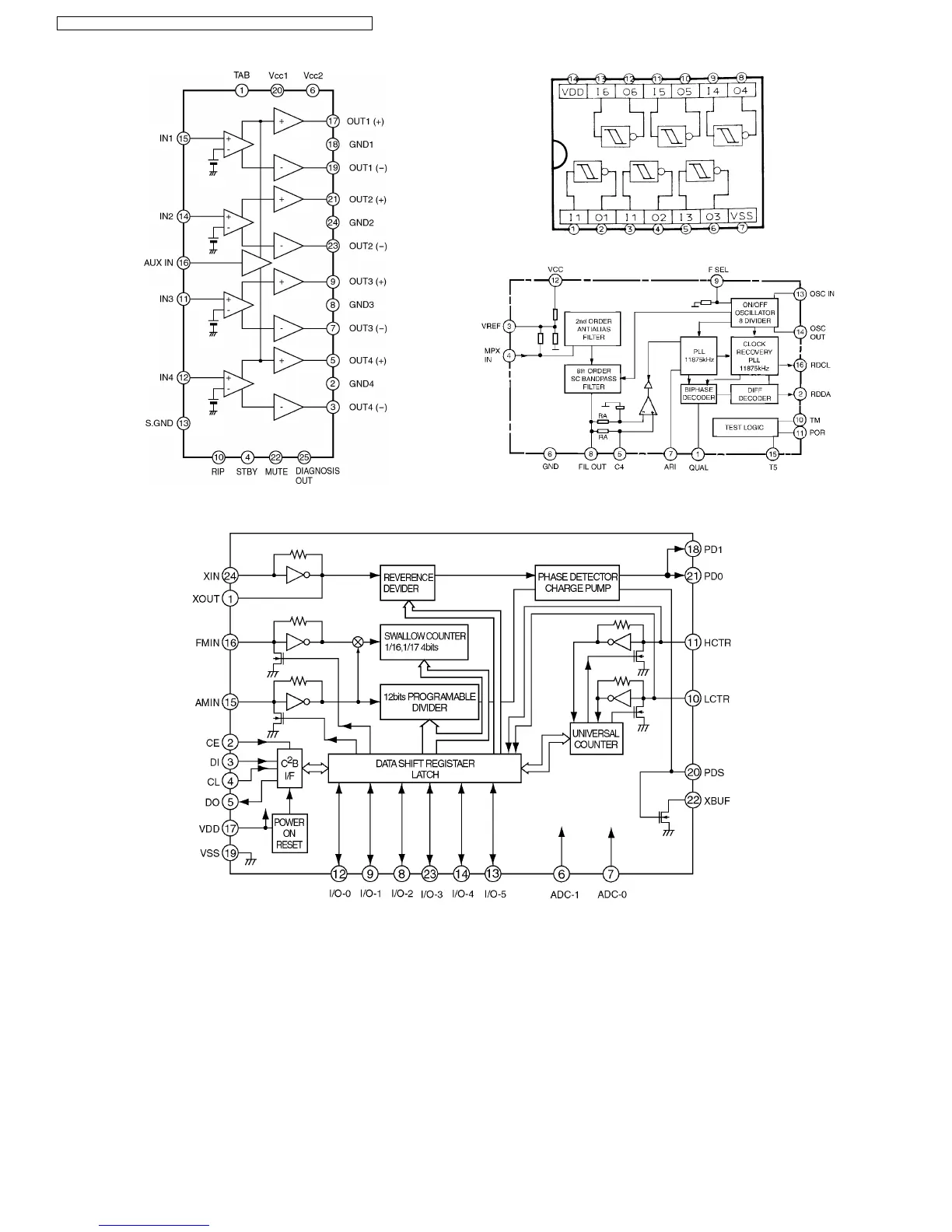
IC270 : C1EA00000026
IC650 : C0JBAZ000904
IC900 : YEAMDA7479D
IC400 : C1BB00000541
8
CQ-RDP162N / CQ-RDP112N / CQ-RDP152N / CQ-RDP142N / CQ-RDP102N

Other manuals for Panasonic CQ-RDP152N

Related product manuals