EasyManua.ls Logo

Panasonic CQ-TX5500W

Panasonic CQ-TX5500W
49 pages
To Next Page IconTo Next Page
To Next Page IconTo Next Page
To Previous Page IconTo Previous Page
To Previous Page IconTo Previous Page
Loading...
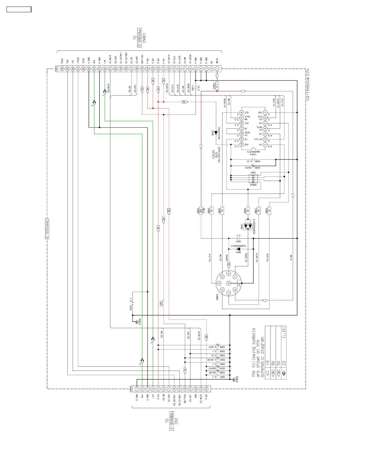
16.2. Connector Block
34
CQ-TX5500W

Related product manuals