EasyManua.ls Logo

Panasonic CQ-TX5500W

Panasonic CQ-TX5500W
49 pages
To Next Page IconTo Next Page
To Next Page IconTo Next Page
To Previous Page IconTo Previous Page
To Previous Page IconTo Previous Page
Loading...
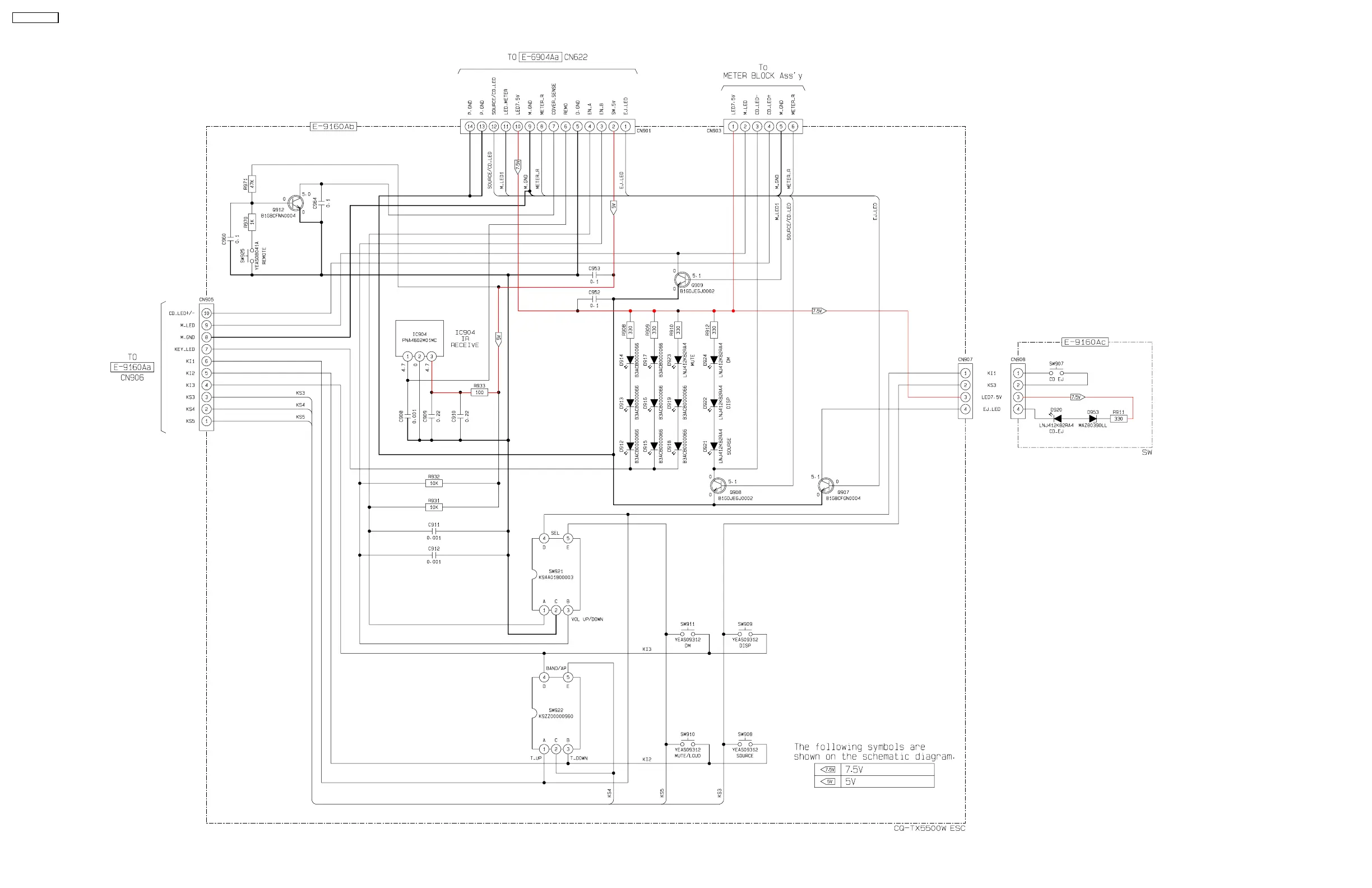
17.4. Display R/CD-EJ Block
CQ-TX5500W
38

Related product manuals