EasyManua.ls Logo

Panasonic CU-A28BBP8 - Page 48

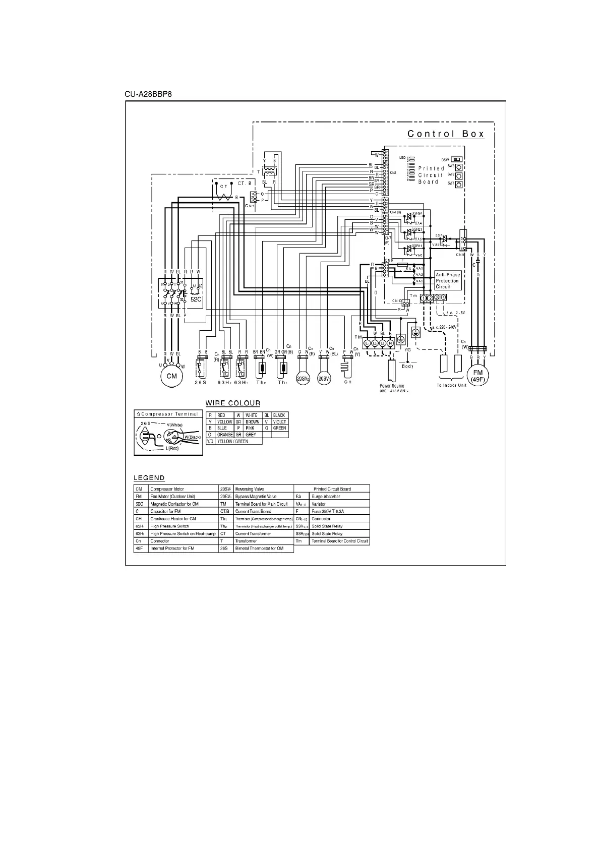
Panasonic CU-A28BBP8
208 pages
Print Icon
To Next Page IconTo Next Page
To Next Page IconTo Next Page
To Previous Page IconTo Previous Page
To Previous Page IconTo Previous Page
Loading...
48

Other manuals for Panasonic CU-A28BBP8

Related product manuals