EasyManua.ls Logo

Panasonic CU-A34BBP5 - Page 56

Panasonic CU-A34BBP5
324 pages
Print Icon
To Next Page IconTo Next Page
To Next Page IconTo Next Page
To Previous Page IconTo Previous Page
To Previous Page IconTo Previous Page
Loading...
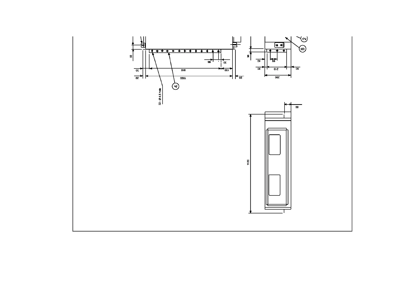
/ / CS-A34BD2P, CS-A43BD2P, CS-A50BD2P / OUTSIDE DIMENSIONS
56

Other manuals for Panasonic CU-A34BBP5

Related product manuals