EasyManua.ls Logo

Panasonic CU-L34DBE5 - Page 99

Panasonic CU-L34DBE5
113 pages
Print Icon
To Next Page IconTo Next Page
To Next Page IconTo Next Page
To Previous Page IconTo Previous Page
To Previous Page IconTo Previous Page
Loading...
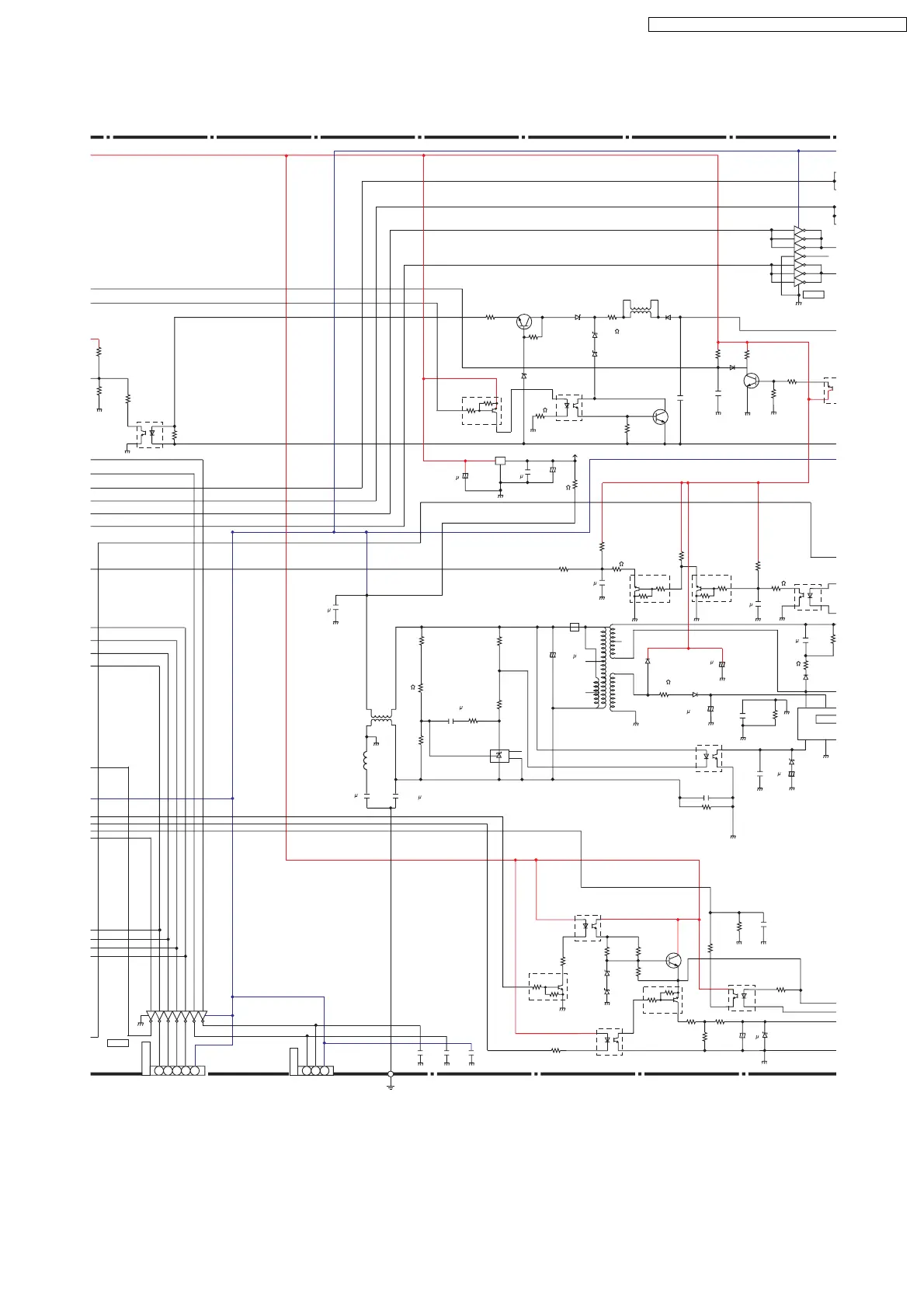
SCHEMATIC DIAGRAM 3/4
C1
9
1000
P
C
TL
P
(
B
4
3
c
b
e
Q15
2SC3052F
R111
NONE
Q16
2SC1841
(FA)
C5
NONE
D1
IA5-E
600V 1A
LF3
SY-110AV
ZD10
RD6.2E
ZD9
RD6.2E
ZD8
RD16UJ (N3)
c
b
e
PC8
TLP421
1
2
4
3
Q2
RT1P432C
c
e
b
10k
4.7k
Q18
2SC18741 (FA)
c
b
e
ZD5
RD4.7UJ
PC7
TLP421
(BL)
1
2
4
3
Q15
2SC3052F
Q6
RT1P432C
c
e
b
PC3
TLP421
(BL)
Q4
2SD0874A
c
b
e
ZD7
WA8082
ZD6
WA8082
R24
NONE
Q5
RT1P432C
c
e
b
PC4
TLP421
(BL)
4.7k
10k
10k
4.7k
ZD2
MAZ8075
C15
22
50V
PC2
TLP421
(BL)
1
2
4
3
4
4
3
3
1
1
2
2
C25
1000p
CN-STM1
5 4321
CN-ABN
3 21
FG 1
IC12
LN2003ADR
PC9
PS2501
(FC)
3
4
2
1
Q1
RT1N141C
b
e
10k
10k
c
C26
0.1
25V
R120
20k
R121
20k
R119
100
Q17
RT1N141C
b
e
10k
10k
c
C24
0.022
R58
20k
R59
100
R158
5.1k
R6
680k
1W
C7
0.01
630V
R7
47
1W
D2
SARS0
1
800V 1.
2
IC3
STR-VI
S
+
C9
4.7
50V
ZD1
WA8047
C10
680p
(JC)
PC1
PC817E7
1
2
4
3
R31
100M
1/2W
C66
3300p
250V
D3
SFPX-62V
200V 1.5A
R9
7.5
1/4W
+
C12
120
50V (FC)
D4
SFPX-62V
200V 1.5A
14
5
4
T1
ST-2139
6
+
C11
22 (FC)
50V
13
8
10
11
9
7
D5
SFPX-G32S
3A 200V
C21
2200
25V
(FC)
R16
1.5k
IC6
TL431
2.495V
C
A
R28
75k
Ref
R12
910
1%
R17
2.2k
1%
R116
5.6k
1/4W
7
k
W
1
8
k
C86
0.1M
25V
C85
0.1M
25V
C84
0.1M
25V
LF4
SS11V-R84520
R10
1k
R14
8.2k
1%
C66
3300p 250V
C22
0.022
50V
C83
0.01
250VAC
C2
0.01
250VAC
L3
IC7 NJM78M05F
MC
SUB
+
R99
1.15k 1%
R110
10k
R151
1.8k
R95
10
1/4W
R98
680
R126
4.7k
R21
7.5k
R22
1k
R23
20k
R152
2.2k
R25
2.2k
R26
1k
R27
1k
R19
5.62k
1%
R20
10k
R18
4.75k 1%
R48
27
2W
8-0V
5V
+
+
C20
470
16V
CFC
C17
0.01
C23
100
16V
31
2
R31
100M
1/2W
41
2
5
+
1
2
3
4
5
6
7
8
9
16
15
14
13
12
11
10
IC11
D
FWMP
V
G
C82
2.2
25V
99
CS-F34DB4E5 CU-L34DBE5 / CS-F43DB4E5 CU-L43DBE5

Table of Contents