EasyManua.ls Logo

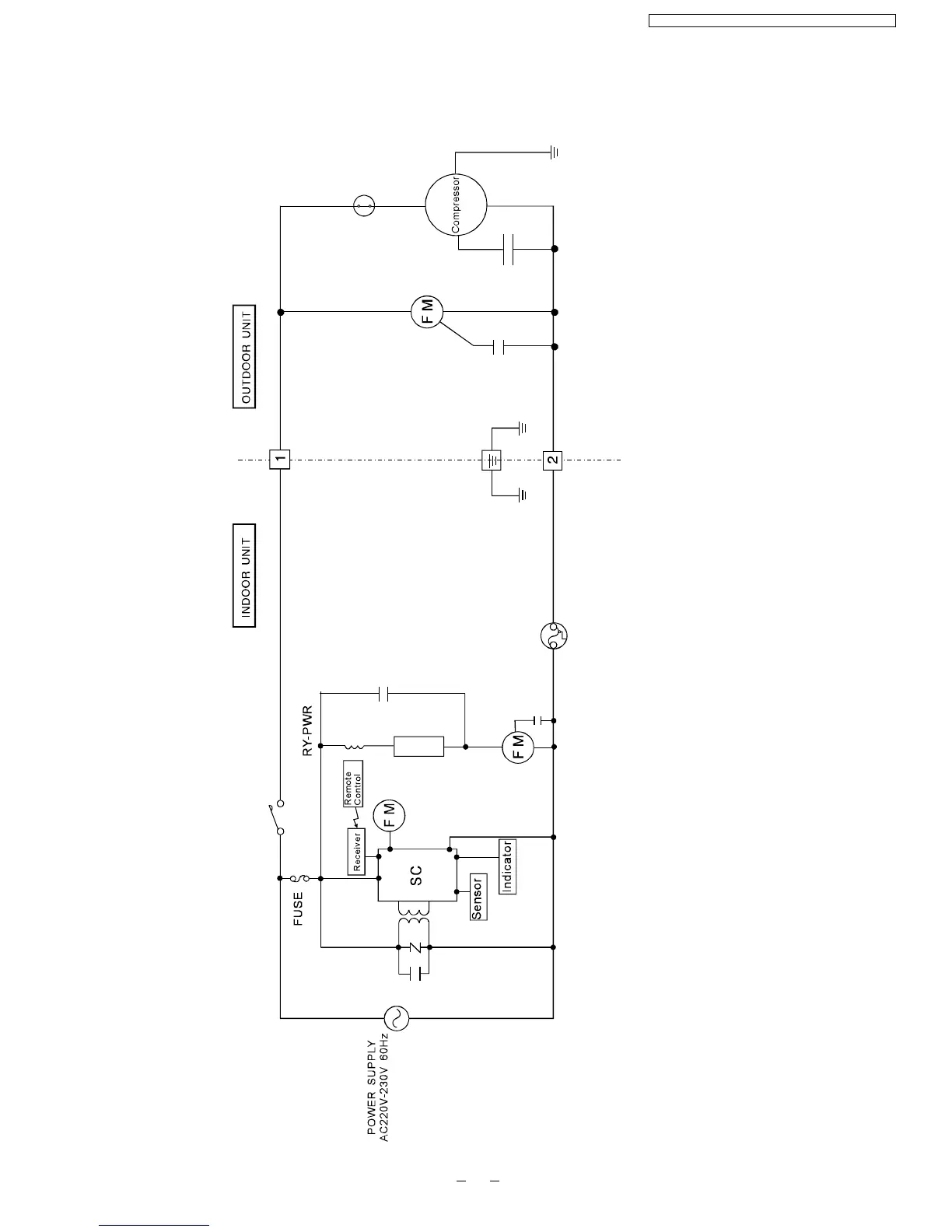
Panasonic CU-PC12GKV - System Block Diagram; Indoor and Outdoor Unit Block Diagram

Panasonic CU-PC12GKV
47 pages
Print Icon
To Next Page IconTo Next Page
To Next Page IconTo Next Page
To Previous Page IconTo Previous Page
To Previous Page IconTo Previous Page
Loading...
ÍÍÎîðï
ÝÍóÐÝçÙÕÊñÝËóÐÝçÙÕÊ
ÝÍóÐÝïîÙÕÊñÝËóÐÝïîÙÕÊ
ïí
ÝÍóÐÝçÙÕÊñÝËóÐÝçÙÕÊñÝÍóÐÝïîÙÕÊñÝËóÐÝïîÙÕÊ
êÞ´±½µÜ·¿¹®¿³

Related product manuals