EasyManua.ls Logo

Panasonic CU-W43BBP8 - Page 36

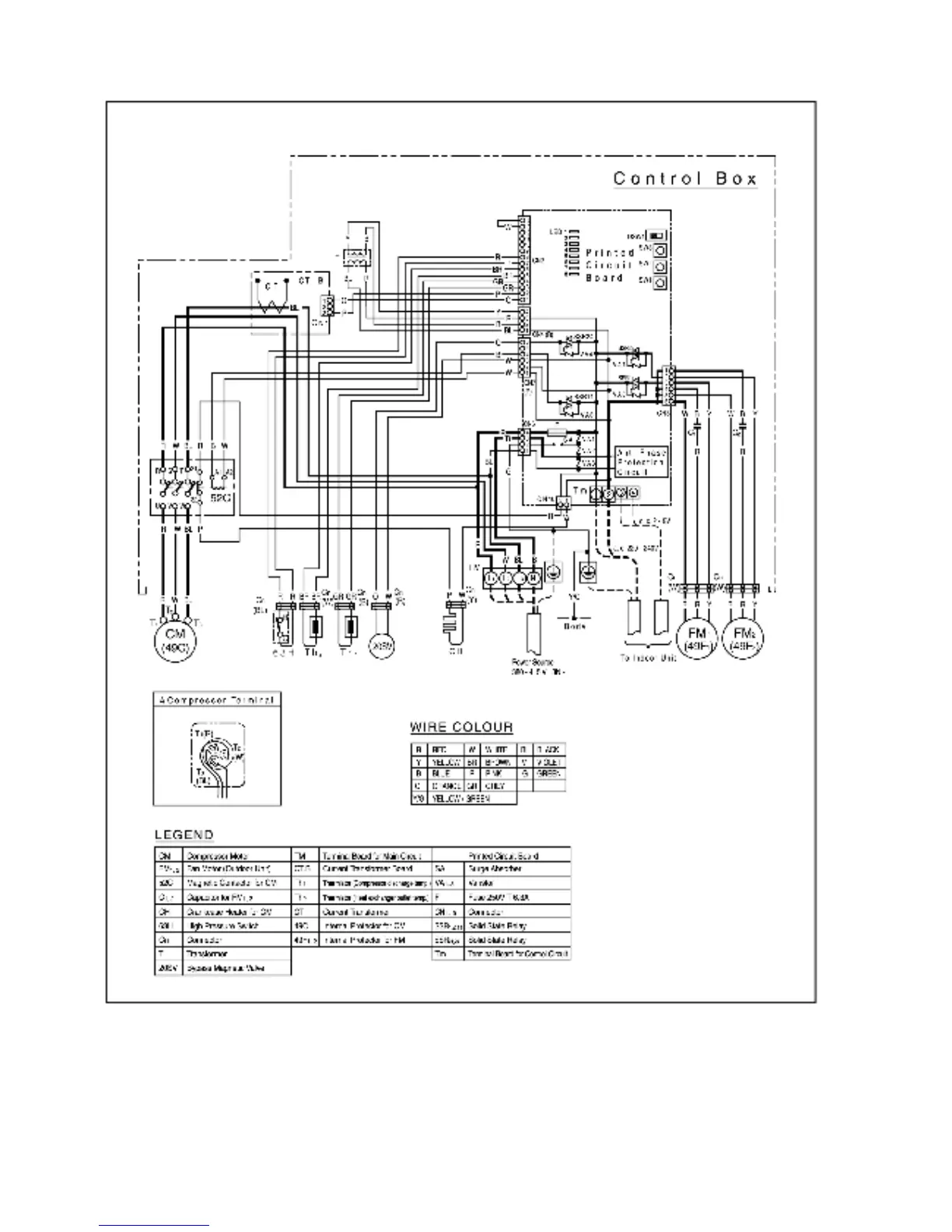
Panasonic CU-W43BBP8
133 pages
Print Icon
To Next Page IconTo Next Page
To Next Page IconTo Next Page
To Previous Page IconTo Previous Page
To Previous Page IconTo Previous Page
Loading...
CU-V34BBP8, CU-V43BBP8
36