EasyManua.ls Logo

Panasonic DC-GH5M Series - Page 81

Panasonic DC-GH5M Series
140 pages
To Next Page IconTo Next Page
To Next Page IconTo Next Page
To Previous Page IconTo Previous Page
To Previous Page IconTo Previous Page
Loading...
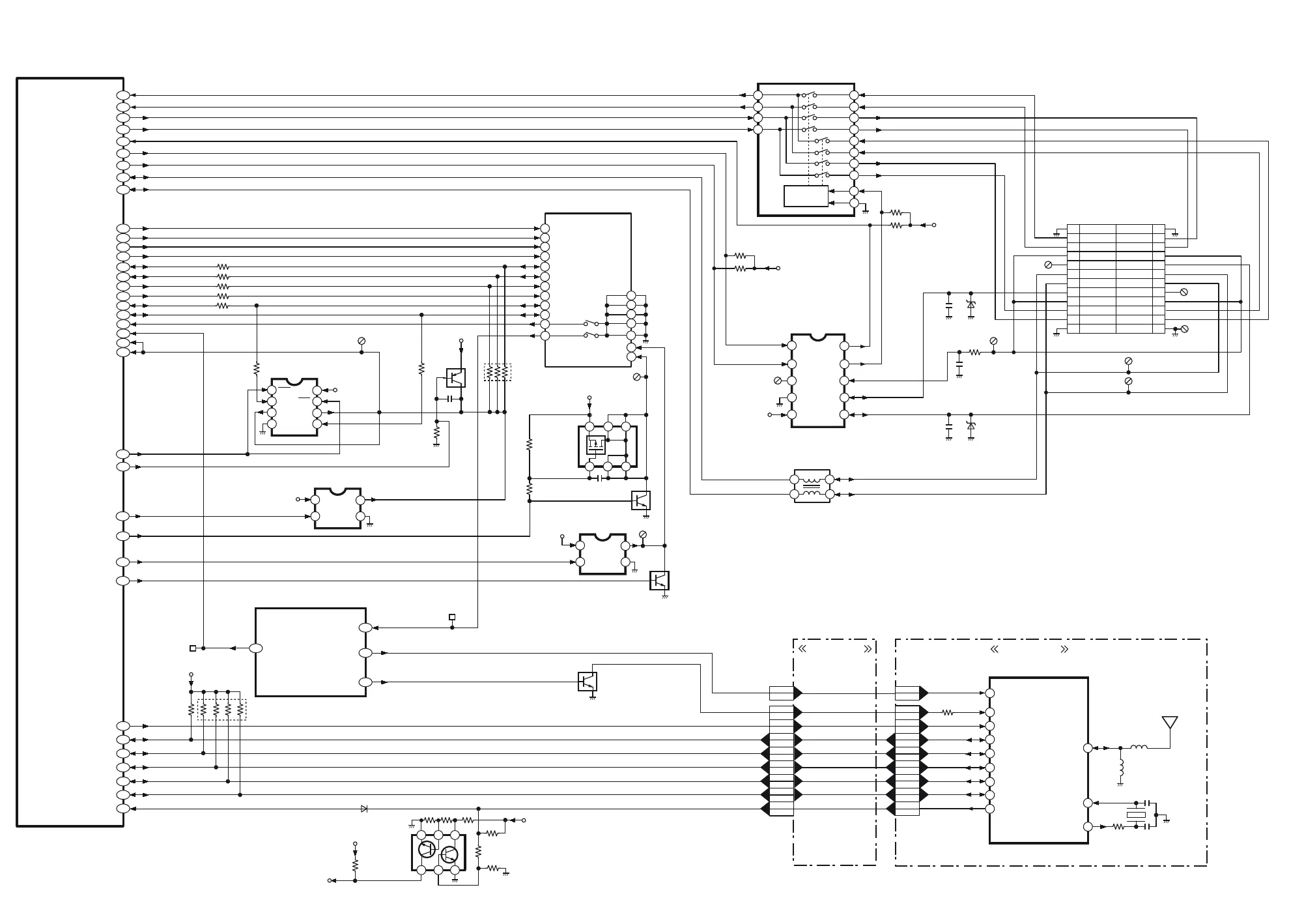
DC-GH5 VIDEO/AUDIO PROCESS
(
2
)
BLOCK DIAGRAM
IC2001
(VENUS ENGINE)
IC6402
(SYSTEM IC)
(SD0 CD ORG)
(SD0 UHS1 ON)
(SD0 POW ON L)
BA3
(SD0 UHS2 ON)
(SD0 1.8V ON)
BB6
IC6202
(REGULATOR)
2
3
4
1
VOUT
GND
VIN
VCNT
123
4 6
5
Q6201
QR6202
QR6201
QR6203
CD6201
PW SD3.15V
PW SD3.15V
PW SD3.15V
PW SD3.15V
9
1
2
5
7
8
WP
4
DAT2
CD/DAT3
CMD
CLK
DAT0/RCLK+
DAT1/RCLK-
WP
WP
VDD/VDD1
VSS4
13
VSS3
10
VSS2
6
VSS1
3
CD
C.DET
AV50
AW49
AU49
AT50
AR53
AT52
D26
G6
HS6201
(MEMORY CARD CONNECTOR)
(SD0 WP)
(SD0 DAT2)
(SD0 DAT3)
(SD0 CMD)
(G SD0 CLK)
(CKG SD0 DAT0)
(CKG SD0 DAT1)
16
D1+
AW53
(G SD0 U2 D1P)
15
D1-
AY52
(G SD0 U2 D1M)
12
D0-
AV52
(G SD0 U2 D0M)
11
D0+
AU53
(G SD0 U2 D0P)
BM40
(G USB RX0P)
BN39
(G USB RX0M)
BN37
(G USB TX0P)
BM36
(G USB TX0M)
AF4
(G USB DAT)
BJ27
(USB INT)
14
VDD2
CD
PW SD3.15V
IC6201
(BUS SWITCH)
7
2
1
8
VCC
OE2
OE1
A1
5
4
3
6
B2
A2
B1
GND
IC6203
(REGULATOR)
2
3
4
1
VOUT
GND
VIN
VCNT
(PW SD0 3018V)
QR6005
VSS5
17
IC6151
(ANALOG SWITCH)
A0+
A0
-
B0+
RX2+
LOGIC
CONTROL
B0
-
RX2
-
AY2
(SD0 POW ON L2)
AV2
(SD0 PU ON L)
BA5
CD6202
CD6158
CD6160
CD6161
CD6203
CD6155
AY46
AY48
(SD0 CD)
(SD0 CD)
B26
SDDETOUT
SDDETIN
C11
PIOC0
D3
BB4
RL6416
RL6420
(WiFi RESET)
(WiFi RESET)
WiFi INT SYS
(IC6405-1)
(G WiFi CLK)
(WiFi CMD)
(WiFi DAT0)
(WiFi DAT1)
(WiFi DAT2)
(WiFi DAT3)
(WiFi INT)
(WiFi CLK)
(WiFi CMD)
(WiFi DAT0)
(WiFi DAT1)
(WiFi DAT2)
(WiFi DAT3)
(WiFi RESET)
(WiFi CLK)
(WiFi CMD)
(WiFi DAT0)
(WiFi DAT1)
(WiFi DAT2)
(WiFi DAT3)
AR1
AT2
AT4
AR3
AR5
AP2
BK12
Wi-Fi BT P.C.B.
FP6004
15
FP6004
13
FP6004
9
FP6004
11
FP6004
12
FP6004
4
FP6004
10
(W-LAN MODULE)
Wi-Fi
ANTENNA
SDIO CLK
15
SDIO CMD
17
SDIO D0
ANT
21
SDIO D1
20
SDIO D2
19
SDIO D3
18
42
RESET
35
RTCCLK OUT
RTCCLK IN
15
FP8501
13
FP8501
9
FP8501
12
FP8501
10
FP8501
11
FP8501
5
FP8501
(RF PMUEN)
(RF PMUEN)
(RF PMUEN)
FP6004
1
PMUEN
29
1,2
FP8501
(WiFi INT) (WiFi INT)
FP6004
3
WIFI INT B
33
4
FP8501
Wi-Fi BG FPC
(32.72KHz)
32
31
PW WiFi 1.8V
Q6004
6
5
4
1
2
3
L11
BACKUP CTL2
PW EVR 3V
PW D1.8V
RX1+
RX1
-
TX2+
TX2
-
TX1+
TX1
-
3
4
19
18
A1+
A1
-
SEL
B1+
B1
-
7
8
9
17
16
C0+
C0
-
15
14
C1+
C1
-
13
12
NOE
2
A12
A11
A10
A9
A8
A7
A6
A5
A4
A3
A2
A1
B1
B2
B3
B4
B5
B6
B7
B8
B9
B10
B11
B12
GND
RX2+
RX2
-
Vbus
SBU1
D
-
D+
CC1
Vbus
TX1
-
TX1+
GND
GND
TX2+
TX2
-
Vbus
CC2
D+
D
-
SBU2
Vbus
RX1
-
RX1+
GND
JK6152
(USB 3.1 GEN1 TERMINAL:Type-C)
CD6159
CD6157
CD6156
PW D3.15V
PW D3.15V
IC6152
(USB TYPE-C
CONTROLLER)
9
2
1
10
INT N
SS SW
SDA
SCL
7
4
3
8
VBUS
CC2
CC1
ID
GND
5 6
VDD
PW D3.15V
2 3
41
FL6155
(G SW USB+)
(G SW USB
-
)
BN35
BM34
AF2
(G USB CK)

Related product manuals