EasyManua.ls Logo

Panasonic KX-A143EXC - Page 95

Panasonic KX-A143EXC
115 pages
Print Icon
To Next Page IconTo Next Page
To Next Page IconTo Next Page
To Previous Page IconTo Previous Page
To Previous Page IconTo Previous Page
Loading...
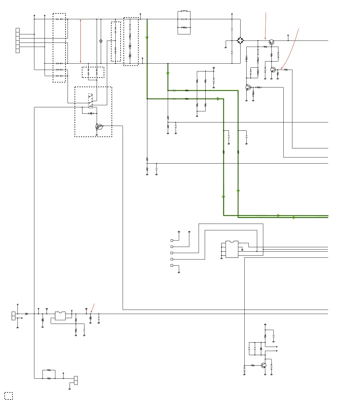
IC1
1
A0
2
A1
3
A2
4
GND
5
SDA
6
SCL
7
WP
8
VCC
+5.5V
+4.0V
6.3V100
C41
D4
220
R42
100
R41
TP90
TP91
C40
10V100
TP89
Q9
3
ADJ
2
VOUT
1
VIN
4
VOUT
+2.65V
680P/500V
C1
100
R29
R5
220K
J1
1
2
3
4
5
6
TP45
TP39
D10P
C19
D10P
C18
Q3
D2
1.5M
R2
2.2K
R10
R6
180K
TP2
2.7K
R8
SA1
100
R30
TP40
R3
220K
K0.022
C4
R4
180K
1.5M
R1
RLY1
NC
1
2
3
4
7
8
9
10
10K
R9
K0.022
C3
100K
R7
TP5
33
R43
TP84
33
R44
J2
1GND
2
DC_PLUG
5.6M
R53
180K
R54
K0.01
C49
180K
R82
K0.01
C74
5.6M
R81
TP3
TP101
J105
1
J101
1
J104
1
J103
1
VBACK+2.65V
J102
1
680P/500V
C2
1 CHARGE-
2 CHARGE+
Q2
C89
K1000P
TP201
R68
39
R89 1K
D9
+4.0V
C90
J100P
Q10
TP202
C60
NC
C62
NC
C5
NC
C63
NC
C92
NC
NC
C7
C91
NC
C77
NC
C6
NC
D1
NC
D8
NC
D7
NC
JMP3
NC
JMP2
NC
JMP7
NC
NC
JMP5
JMP6
NC
JMP4
NC
NC
JMP8
JMP1
NC
L2
NC
R73
NC
R71
NC
R74
NC
R77
NC
R85
NC
NC
R70
R72
NC
Q11
NC
Q1
NC
C95 N.M
D10P
C96
C99
D10P
OPTION4
’SCL’
’SDA’
’Ringer-’
’Ringer+’
BF822-250V
(13)
(12)
(11)
(10)
(6)
(5)
(4)
(3)
(2)
(1)
(9)
(8)
(7)
OV ON-HOOK
+0.7V DC OFF-HOOK
+60V DC ON-HOOK
+10V DC OFF-HOOK
60v
DC
LINE VOL TAGE 60V DC
+4.0V DC
: No Components