EasyManua.ls Logo

Panasonic NN-S554MF - SCHEMATIC DIAGRAM

Panasonic NN-S554MF
94 pages
Print Icon
To Next Page IconTo Next Page
To Next Page IconTo Next Page
To Previous Page IconTo Previous Page
To Previous Page IconTo Previous Page
Loading...
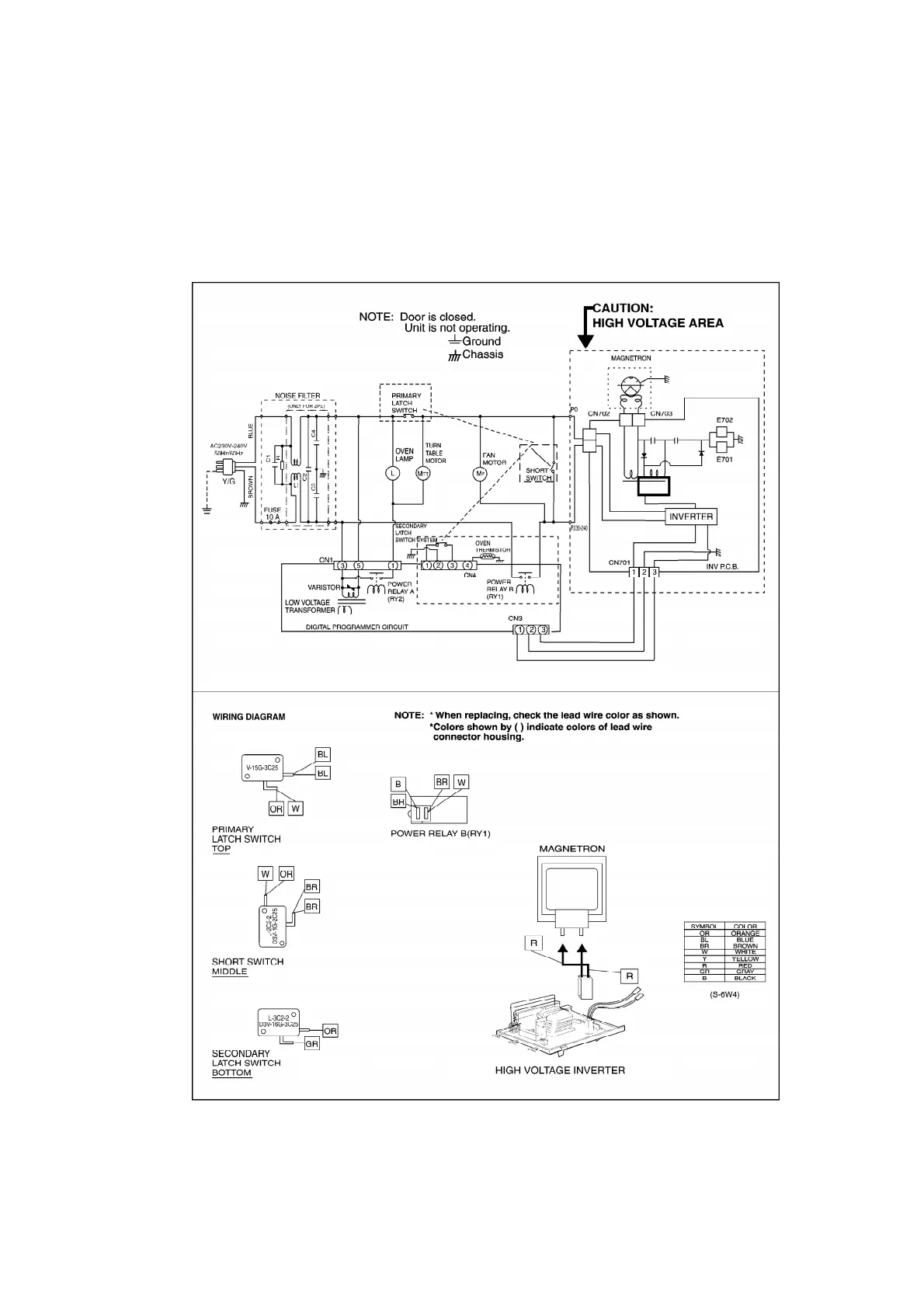
1. SCHEMATIC DIAGRAM
1.1. NN-S554MF/WF
1.2. NN-K593MF/K574/K544WF
6

Related product manuals