EasyManua.ls Logo

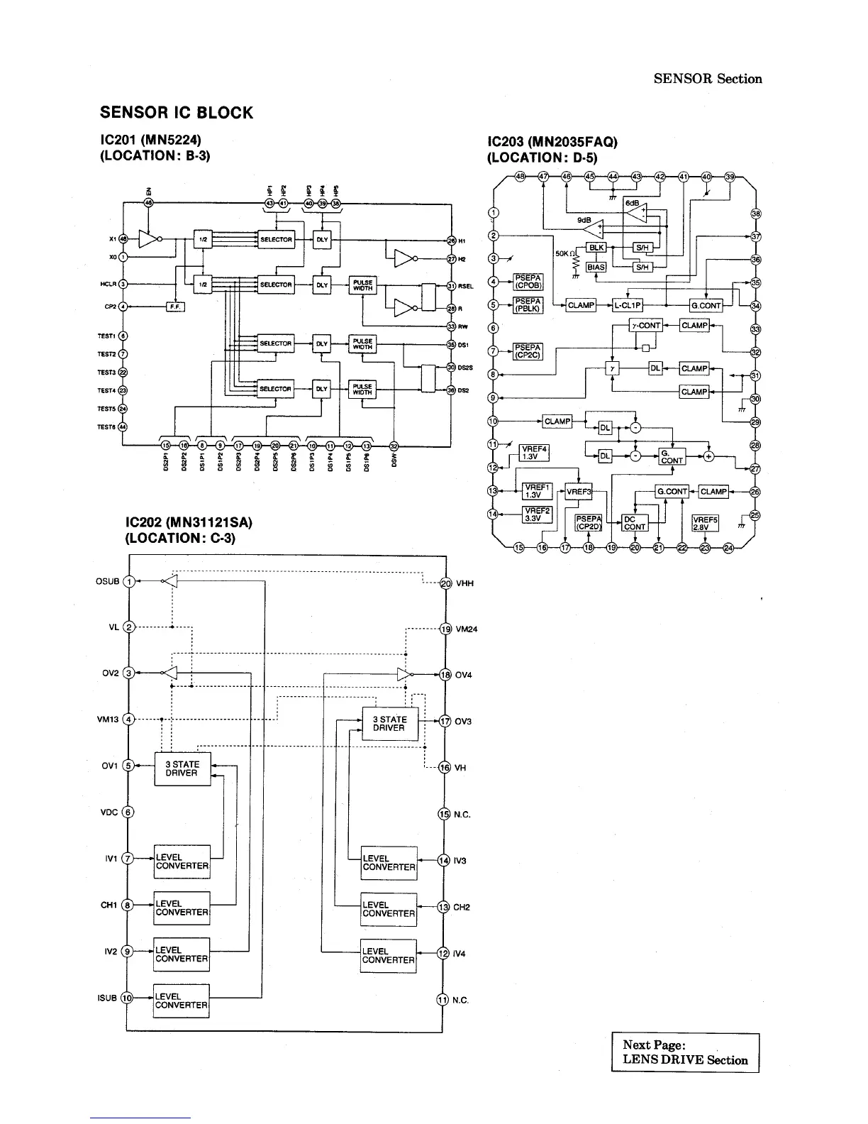
Panasonic nv-rx1 - Sensor IC Block Diagrams

Panasonic nv-rx1
32 pages
Print Icon
To Next Page IconTo Next Page
To Next Page IconTo Next Page
To Previous Page IconTo Previous Page
To Previous Page IconTo Previous Page
Loading...

Related product manuals