EasyManua.ls Logo

Panasonic NV-RX27 - Page 24

Panasonic NV-RX27
41 pages
Print Icon
To Next Page IconTo Next Page
To Next Page IconTo Next Page
To Previous Page IconTo Previous Page
To Previous Page IconTo Previous Page
Loading...
N
H
H
H
H
L
H
9
8
7
6
5
7
6
8
10
16
10
15
14
8
13
25
2
5
22
21
9
11
13
33
4
3
2
1
29
23
24
35
18
39µ
L5504
18P
C5523
1K
R3050
2SD2216
Q5501
H LINE
REG 3V
REG 4.8V
ST 4.8V
A LINE
B LINE
REG 4.8V
REG 4.8V
REG 4.8V
0.01
C5012
C5513 0.047
4V47
C3005
0.1
C3004
C5502 0.01
1
C4006
0.22
C4032
10µ
L5502
47µ
L5501
82µ
L3003
GND
REC/PB
CTL-CTL+
GND
RECIN
RECHPB
OUT
CTL
BIAS
IN-
OUT
MONI
AGC
HYSBIAS
FILTER
VCC
10µ
L3002
120µ
L5507
47µ
L6201
100µ
L4005
I
H
G
F
E
D
C
B
A
G
F
E
D
C
B
A
1110
987654321
ST 4.8V
H29
H28
H27
H26
H25
H24
H7
H6
H5
H12H23H22H11
B7B1
B3
B2
B1
H9
H3
0
R3034
H21
H20
H4
H10
B6
B5
B4
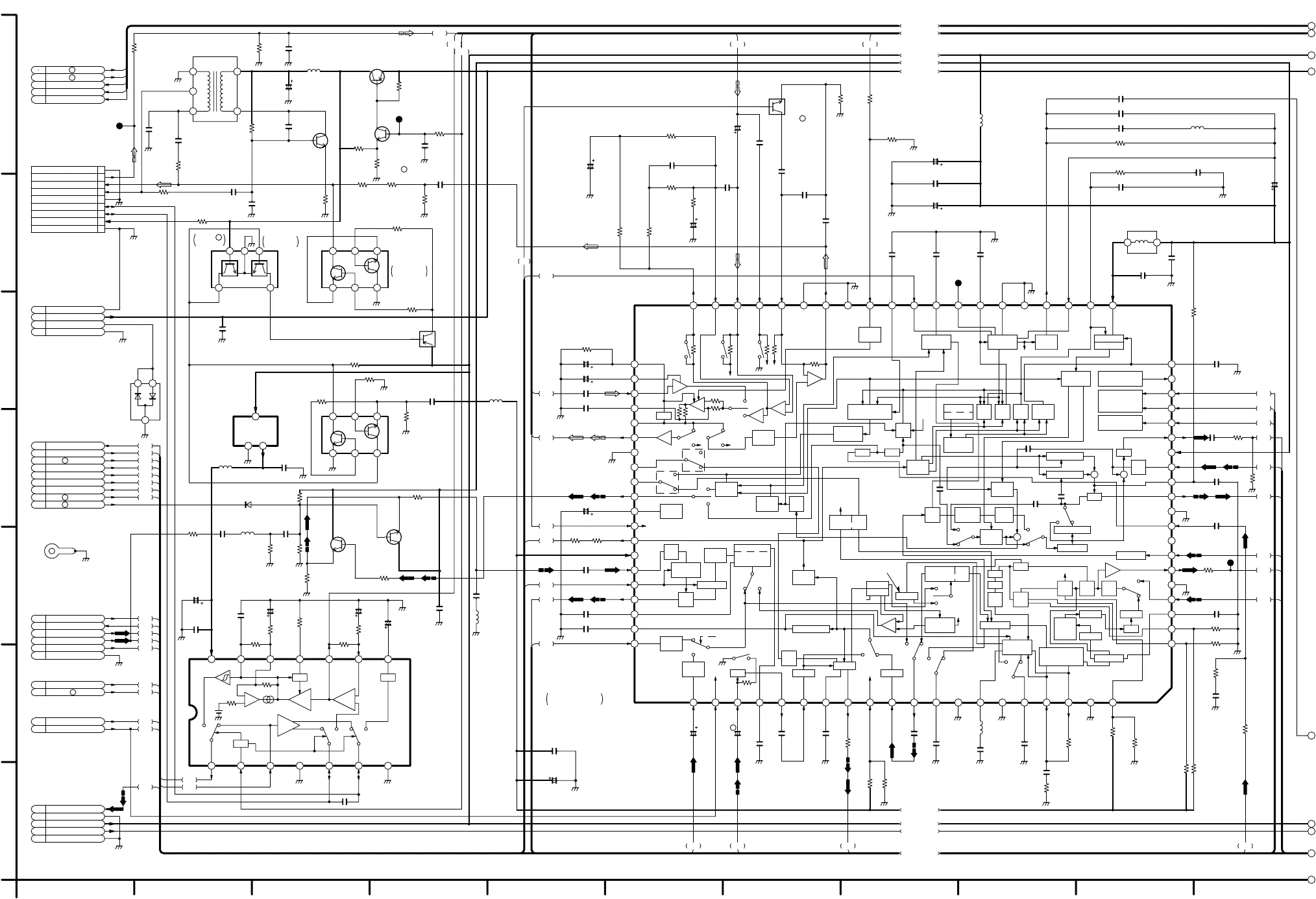
HA118603F
IC3001
H2
H1
TO CHASSIS
H8
H7
H6
H5
H4
H3
H2
H1
H18
H17
H16
H15
H14
H13
H12
H11
H10
H9
Page:40
TO POWER/
Page:34
TO CAMERA/
Page:31
TO SYSTEM CTL
Page:34
TO CAMERA/
Page:31
TO SYSTEM CTL/
Page:40
TO POWER/
FP4001
TO AC HEAD
Page:31
TO SYSTEM CTL/
10K
R4050
68K
R4021
MA133
D3001
3
12
NOREG GND
ESD GND
Y CTL
C CTL
D REC
V HEAD CTL
1K
R5510
1K
R5508
0.01
C5508
1200
R3001
C5504 0.1
2.2M
R5513
C5507 4V47
C5527 0.1
C4038 6.3V10
4V47
C5512
R5516 39P
R5515 180P
R5505 2200
C5514 1
R5500 1K
4P
C5526
0.1
C5511
12µ
L5503
AB
MRN1104
QR4005
270
R4010
8200P
C4003
18K
R4023
1K
R4008
27K
R4035
0.47
C4019
0.01
C4021
0.01
C4022
6.3V3.3
C4036
18K
R4042
8200
R4037
6.3V6.8
C4025
150
R4032
330K
R4033
0.01
C4026
8200
R4041
1000P
C4009
3300P
C4023
16V4.7
C4024
10
R4001
47K
R4006
820P
C4001
0.01
C5518
0.1
C5519
0.033
C5520
C5510 1
C5525 0.01
C5505 0.1
470
R5502
0.01
C5534
1K
R5527
18K
R3020
39K
R3009
C3008 0.1
R3005 3900
R3010 33K
22K
R3022
27K
R3023
2000
R3007
150P
C3016
16V10
C3029
10V10
C3027
0.1
C3026
0.1
C3024
1
C3023
560
R3030
0.1
C3020
0.1
C3019
33P
C3018
0.1
C3017
6800
R3006
12K
R3025
39K
R3026
C3035 6.3V10
C3030 1
C3031 0.1
C4035 1
C4034 0.1
R4009 2.2K
C4027 10V2.2
C4004 6.3V10
R5509 0
1K
R5515
470
R5521
MA111
D5501
1K
R5526
3300
R5524
27K
R5523
0.01
C5521
9P
C5522
18K
R5522
2SD2216
Q5504
BA8400FV
IC6201
68
R4038
C6201 560P
0.01
C6208
4V47
C6207
16V10
C6202
820
R6203
16V10
C6203
0
R6205
4700
R6207
16V10
C6205
1000P
C6206
680K
R6204
270K
R6206
390K
R4026
390K
R4005
1
C4020
XC62FP3002MR
IC6202
0.01
C6209
3
21
180K
R4002
390K
R4025
XP4501
Q4007
654
123
22K
R4011
MRN2103
QR4003
4700
R4016
4700
R4015
XP4501
Q4004
XP1215
QR4004
2200
R4036
2SD2216
Q4009
2SB1219
Q4003
1K
R4040
22K
R4034
7654321
RP
P
R
PR
REF
SW
DET
+
-
AMP
REC
+
-
+
-
AMPAGC
89
1011121314
2.2
R4017
0.01
C4015
68
R4013
6800P
C4014
6.3V22
C4012
15K
R4014
1000P
C4017
4700
R4012
2SD602-R
Q4002
4700P
C4005
4700P
C4016
EQQ6QB009T
T4001
4
6
3
2
1
ANA GND
REG 3V
REG 4.8V
SIG GND
EVF Y
ANA GND
L DATA
CAM C IN
CAM Y IN
VTR SYNC
4.43MHz
EE
PB
H SW
V DATA
V CLK
ART V
LP
REC CTL
PB CTL
A GND
1
2
3
4
5
6
7
8
9
CE GND
CE
CTL(+)
CTL(-)
AE H GND
AE H
A H(R)
A H(P)
A GND
IR OUT
MF VR2
MF VR1
V REF
V REF
321
45
321
456
REC
IN
SEP
ATTHPF
CONT
FADE
DRIVE
C.CCD
DATA
SSB
6dB
/BB
REC
G.EQ
DR
ME.
NC
PEAK
E.
APL
PB.
AGC
/FM
ME ALC
DR
CLP
IN
CLP
DR
Y.CCD
ADJ
CCD
CLP
Y.CCD
LPF
Y.CCD
ALC
V.OUT
V.CCD
FROM
V.IN1
IN
ME.
V.IN2
AGC DET
V.D.FB
V.OUT
SQ.IN
IN
C.MIX
Y.VCC
SYNC SEP
A.MUTE
B.G
OUT
C.MIX
/DO
KILL
OUT
ACC
A.GND
OUT
A.LINE
SEARCH
A.
BYPASS
A.
AIN1
DC FB
ALC
OUT
PB EQ
AUDIO
(-)
PB IN
AUDIO
(+)
PB IN
AUDIO
IN(-)
A.REC
LP.S
A.REC
OUT
A.REC
LP.SW
A.PB
CONT
FADE
DET
CK
IN
4.43
DET
ACC
OUT
X.OSC
APC
REC
NC
C.GND
OUT
2fsc
DET
CR
LC VCO
APC
/REC
PB APC
CRI
DIS
CONT
CCD
CLK
SSB
SW
REC C-OUT
VCC
C/AUDIO
FB.IN
C.CCD
REC C IN
EL DET
CCD LEV-
TEST
C.IN
PB.
OUT
REC FM
IN
PB FM
FO.DEV
fo/Q
PB.EQ.
SW30SW31
IO/DEV ADJ
SW9
FM MOD
W.C/DC
CARRIER OFFSET
MAIN EMPH
7M LPF
FBC/ALC
LPF
LEAD
LAG
DEMO
LPF
SUB
DLIM
DOC
DET
DO
DELAY
EDGE
DET
SW14
R
P
TO 69PIN
EQ
G
EQ
P
AGC
FM
TRAP
629
AMP
1MHPF
DE-EMPH
MAIN
R
SW2
P
(NTSC/PAL)
ALC
TO 62PIN
CONT
PICTURE
+
-
Vp-p
0.5
EMPH
N.L.
DE-EMPH
N.L.
R
SW11
P
NC
SSB
DE
0.4Vp-p
Y-LPF
R
SW3
P
R
SW5
0.5Vp-p
P
DO
DO/REC
SW6
PB ALC DET
CLAMP
DET
ACC
YNR
CLAMP
P.EQ
TO
SEP
SYNC
SW8
PR
LPF
Vp-p
0.5
SYNC
CLEAR
CLAMP
FEED BACK
VIDEO ALC
SQUELCH
SQUELCH
C-
AMP
6dB
AMP
6dB
SSB
(-6dB)
ATT
P.CONT
TO
(-6dB)
ATT
BPF
DE EM
B-
C-OUT
REC
SW17
KILLER
COLOUR
GAP
BAND
SW16
SW4
ACC
DO
DET OUT
KILLER
KILL
GEN
PULSE
SW1
APC
ID DET.
COLOR KILLER
(BURST)
ACC DET
AMP
REC
20dB
ATT
LP ON
SW25
REC ON
SW26
SP ON
SW27
AMP
PRE
-
SW29
R
P
PB OFF
VCA
DET
ACC
TRAP
HiFi
TRAP
HPF fH
CONV2
MAIN
+
CONV1
MAIN
SW19
R
P
SW22
R
P
LEVEL DET2
-
LEVEL DET1
SW20
THROUGH
DELAY
2M LPF
1.3M LPF
DELAY 150n
VCA
CONV.
DOWN
1/2
PHASE SW
DISCRI
PB/REC
APC
PB
AFC
REC
APC
REC
VCO/OSC
X-TAL
CLOCK
2FSC
CR DET
GEN
4PHASE
1/2
2fL VCO
+
ATT
LPF
2.2M
SW30/25
INTERFACE
SERIAL CONT
PAL
Q.ADJ
G-EQ/
80797877767574737271706968676665646362
21222324252627282930313233343536373839
61
40
60
59
58
57
56
55
54
53
52
51
50
49
48
47
46
45
44
43
42
41
NC
Y-GND
1
2
3
4
5
6
7
8
9
10
11
12
13
14
15
16
17
18
19
20
H
H
H
(1.1)
1.3
(1.8)
1.4
(1.8)
1.3
(2.8)
2.6
(1.5)
0.6
(2.4)
2.0
2.23.22.6
(0)
2.41.6
(2.7)
3.0
(2.1)
2.2
(2.8)
2.2
(0)
2.1
(1.9)
0.7
2.8
2.8
(2.1)
1.9
(2.4)
2.7
(2.5)
2.0
0
1.9
4.8
(0.3)
1.0
(0)
2.9
2.8
2.1
-
-
2.3
-
2.3
2.3
2.3
0
3.0
0.5
(2.3)
1.8
2.7(0.6)
(2.0)
3.4
2.1
-
0(2.8)
(0.1)
2.8
(3.7)
2.8
(0)
2.9
4.7
(2.0)
2.3
1.5
2.8
2.7
-
2.6
4.72.62.62.6
(2.6)
1.0
2.0
(1.4)
2.2
2.1
(1.2)
2.4
0
(2.4)
0
(2.4)
0.2
0
2.42.42.4
0
0
0
1.81.8
(1.8)
0
(3.0)
0
(1.8)
2.9
1.71.71.7
0
0.80.83.0
(0)
0.7
0
00
(0)
0.7
3.0
4.7
4.8
(4.8)
0
(-21.5)
4.7
(-21.4)
0.7
(-13.5)
0
(-13.5)
0
0
(-20.8)
0.7
0.7(0)
(4.8)
0
(4.7)
0
0.7(0)
0(-0.6)
0
(4.6)
0
0(2.3)
0(2.9)
(4.1)
4.8
(4.1)
4.8
4.8
(4.7)
0
(AMP)
CL4002
(LP :ON)
SIGNAL PROCESS
REC/PLAY VIDEO
(CTL REC/PLAY AMP)
(BUFFER)
(3.0V REG)
(P ON MUTE)
(EXC.D REC:ON)
:ON
EXC.D REC
:ON)
D REC
:ON
EXC.D REC
(D REC :ON)
(ST 4.8V SW)
(BIAS OSC)
CL3004
CL5501
CL4004