EasyManua.ls Logo

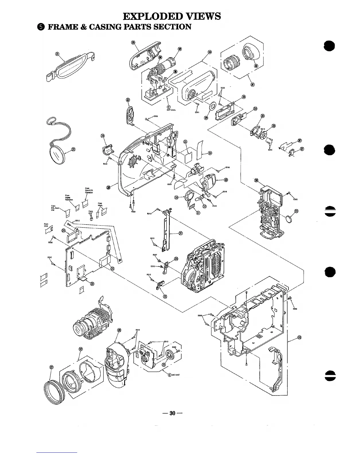
Panasonic NV-VX22 - Exploded Views; Frame and Casing Parts Exploded View

Panasonic NV-VX22
36 pages
Print Icon
To Next Page IconTo Next Page
To Next Page IconTo Next Page
To Previous Page IconTo Previous Page
To Previous Page IconTo Previous Page
Loading...

Related product manuals