EasyManua.ls Logo

Panasonic RX-D13 - Page 83

Panasonic RX-D13
89 pages
Print Icon
To Next Page IconTo Next Page
To Next Page IconTo Next Page
To Previous Page IconTo Previous Page
To Previous Page IconTo Previous Page
Loading...
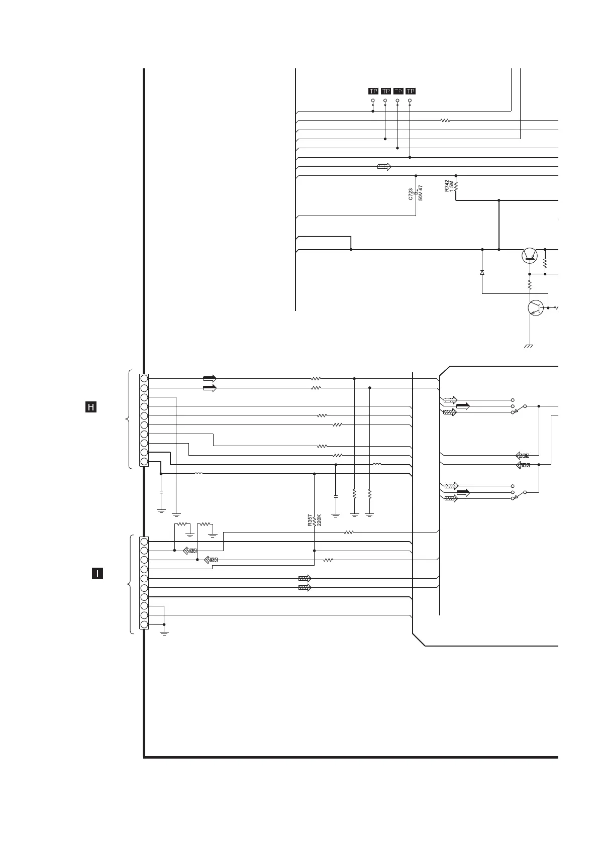
TO
TUNER CIRCUIT
(W304) ON
SCHEMATIC
DIAGRAM-4
TO
DECK CIRCUIT
(W305) ON
SCHEMATIC
DIAGRAM-6
SW302
SW302
10
9
7
5
3
1
2
4
6
8
H305/W305
1
2
4
6
8
10
9
7
5
3
W304
C802
1000P
Q306
Q305
R321
10K
R322
100
R328
10K
R841
1K
R842
1K
R843
1K
R845
1K
R110
2.7K
R111
8.2K
R211
8.2K
R210
2.7K
R218
82K
R731
100K
14131211
TE
FON
FOK
FE
DEF
MIR
EFM
ASSY
3.3V
TUNER_LCH TUNER_LCH_1
TUNER_RCH TUNER_RCH_1
GND
ROUT
T_MUTE T_MUTE
TUNER_RCH_1
TAPE_RCH
PLL_DO
PLL_DI
PLL_CLK
7.5V
PLL_CE REC_IN_R_1
3.3V
7.5V
REC_IN_L_1
3.3V
LOUT
TUNER_LCH_1
TAPE_LCH
VCC_9V
REC_H
REC_IN_L
REC_IN_L_1
REC_IN_R REC_IN_R_1
TAPE_RCH
TAPE_LCH
7.5V
TAPE_H
AGND
((3.41V))
((2.58V))
((3.43V))
((0.16V))
((0.76V))
((0V))
D310
C804
R122 R222
R118
5
6
7
8
9
10
11
12
3.3V [LD]
Q305
KT
A12710Y
CURRENT CONTROL
SWITCH
KTC3199GRTA
SWITCH STABILIZER
Q306
L222
L221
0.1
270K 270K
82K

Related product manuals