EasyManua.ls Logo

Panasonic S-3650PF3E - Page 34

Panasonic S-3650PF3E
321 pages
To Next Page IconTo Next Page
To Next Page IconTo Next Page
To Previous Page IconTo Previous Page
To Previous Page IconTo Previous Page
Loading...
1-3-1
11
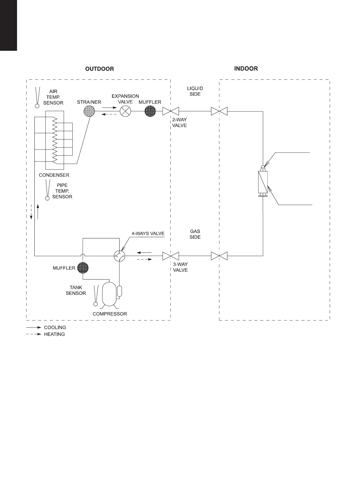
1-3. Refrigerant Flow Diagram
Outdoor Units: U-36PZ3E5
Ø12.7
Ø12.7Ø12.7
Ø6.35
Ø6.35Ø6.35
S-3650PU3E (36)
S-3650PF3E (36)
exchanger
Heat
Distributor
1-3. Refrigerant Flow Diagram
Outdoor Unit: U-50PZ3E5
Ø6.35
Ø6.35Ø6.35
Ø12.7
Ø12.7Ø12.7
S-3650PU3E (50)
S-3650PF3E (50)
exchanger
Heat
Distributor
SM830283-00_欧州向け R32シングル36-71形TD&SM.indb 1 20/01/30 10:24:44

Table of Contents

Other manuals for Panasonic S-3650PF3E

Related product manuals