EasyManua.ls Logo

Panasonic S Series - Voltage Conversion Circuits

Panasonic S Series
111 pages
To Next Page IconTo Next Page
To Next Page IconTo Next Page
To Previous Page IconTo Previous Page
To Previous Page IconTo Previous Page
Loading...
Slide 13
F
F
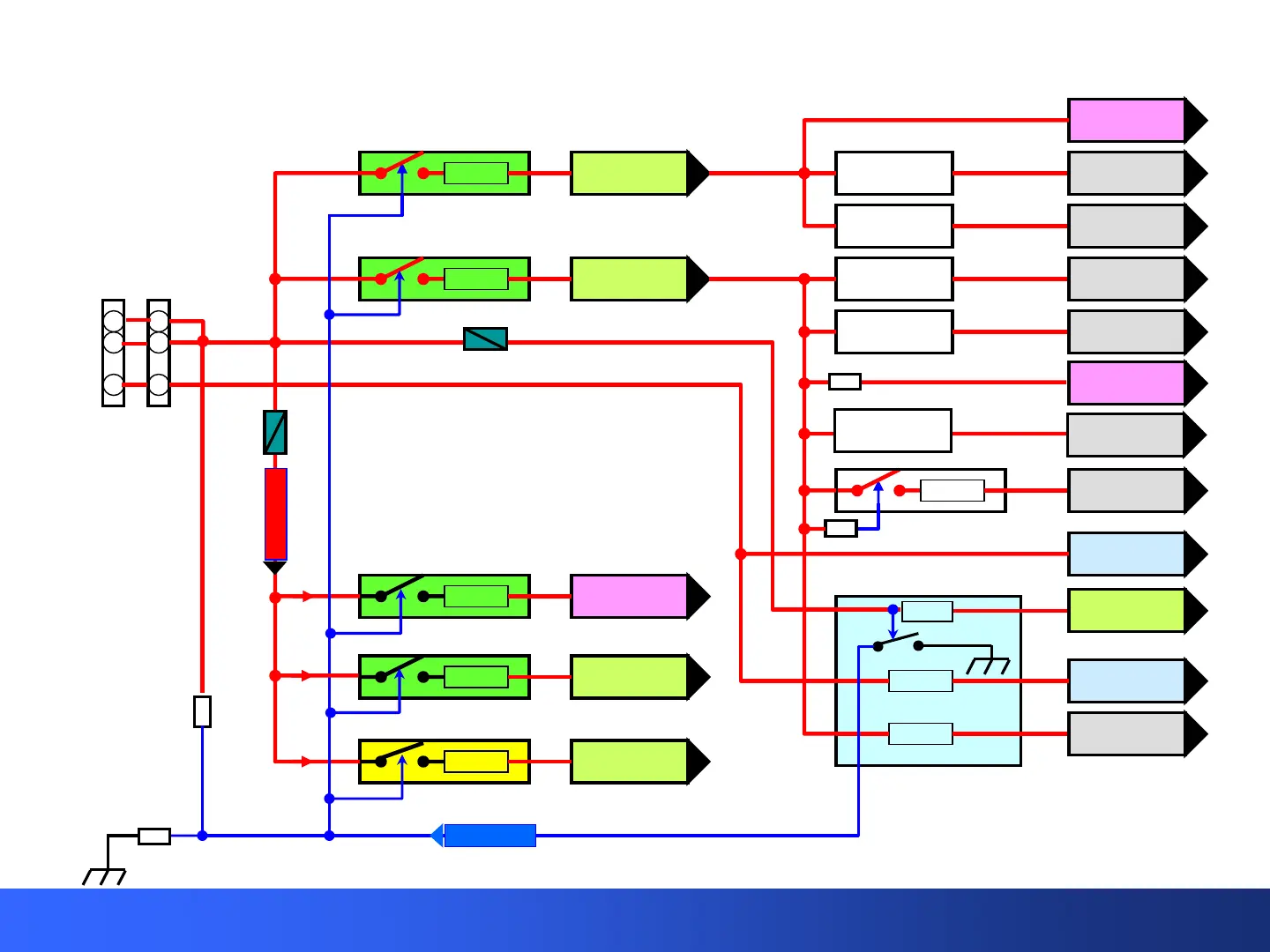
15V/STB5V distribution and convert to lower voltage
15V/STB5V distribution and convert to lower voltage
2. Voltage Distribution(4)
TC
TC
-
-
P42/50/55/60/65S60
P42/50/55/60/65S60
(TNPH1046*)
(TNPH1046*)
5
6
SUB1.5V
SUB1.1V
P1.2V
1.5V
IC8100
1.1V
IC8101
1.2V
IC9803
3.3V
IC8705
5V
IC8704
SUB5V
SUB3.3V
IC5701
IC5704
2.5V
IC8709
IC8715
HDMI3.3V
P5V
HP3.3V
1.2V
IC5702
1.8V
1.2V
9V
IC5000
3.3V
3.3V
STB3.3V
SUB9V
VDDSD18V33V
10
F15V
STB5V
A6
STB5V
PA2000
P3.3V
PA5017
DCDCIN
9V
3
4
22
A6A
DCDCEN
LNA5V
IC5703

Related product manuals