EasyManua.ls Logo

Panasonic SA-HT280 - Sound Controller

Panasonic SA-HT280
96 pages
To Next Page IconTo Next Page
To Next Page IconTo Next Page
To Previous Page IconTo Previous Page
To Previous Page IconTo Previous Page
Loading...
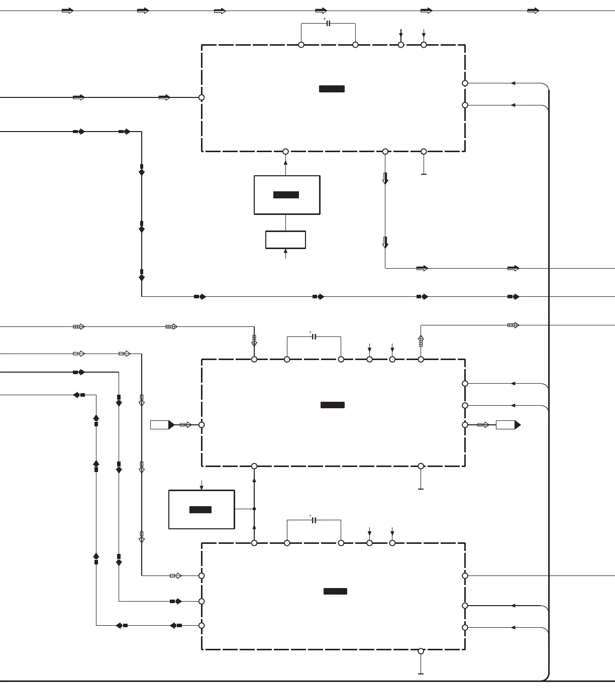
DT VR
CK VR
6
(31)
LchIN
(Rch IN)
M62490FPE1
IC1208
SOUND CONTROLLER
(VOLUME CONT.)
15
(22)
LchOUT
(Rch OUT)
18
19
DT1
CLK1
NJM4580DD
IC1202
VREF
1
9
(28)
13
(24)
31
S.W IN
15
LS OUT
18
19
DT1
CLK1
9
(28)
13
(24)
LS IN
6
31
CIN
COUT
18
19
DT1
CLK1
9
(28)
13
(24)
1
M62490FPE1
IC406
SOUND CONTROLLER
(VOLUME CONT.)
M62490FPE1
IC405
SOUND CONTROLLER
(VOLUME CONT.)
1
S.W OUT
22
22
DT VR
CK VR
DT VR
CK VR
16
GND
16
GND
16
GND
NJM4580DD
IC407
VREF
+B9
21
+B6
VDD
36
+B9
VCC
21
+B6
VDD
36
+B9
VCC
21
+B6
VDD
36
+B9
VCC
RS IN RS OUT
156
Rch Rch
REGULATOR
+B1
Q1201,D1281

Related product manuals