EasyManua.ls Logo

Panoramic PC-1000 - Page 78

Default Icon
94 pages
Print Icon
To Next Page IconTo Next Page
To Next Page IconTo Next Page
To Previous Page IconTo Previous Page
To Previous Page IconTo Previous Page
Loading...
Appendix
© Copyright 2008 Panoramic Corporation
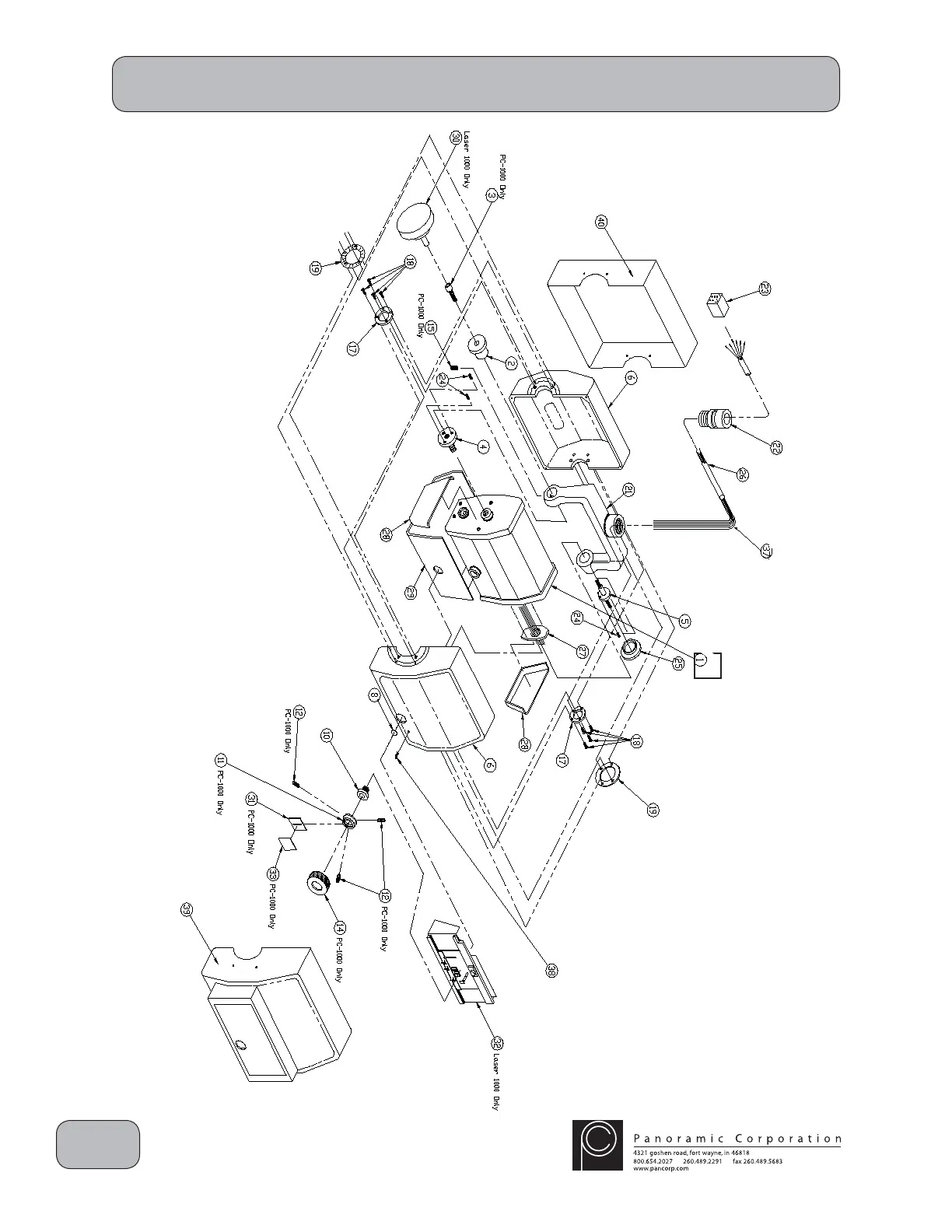
Tubehead Assembly
G