EasyManua.ls Logo

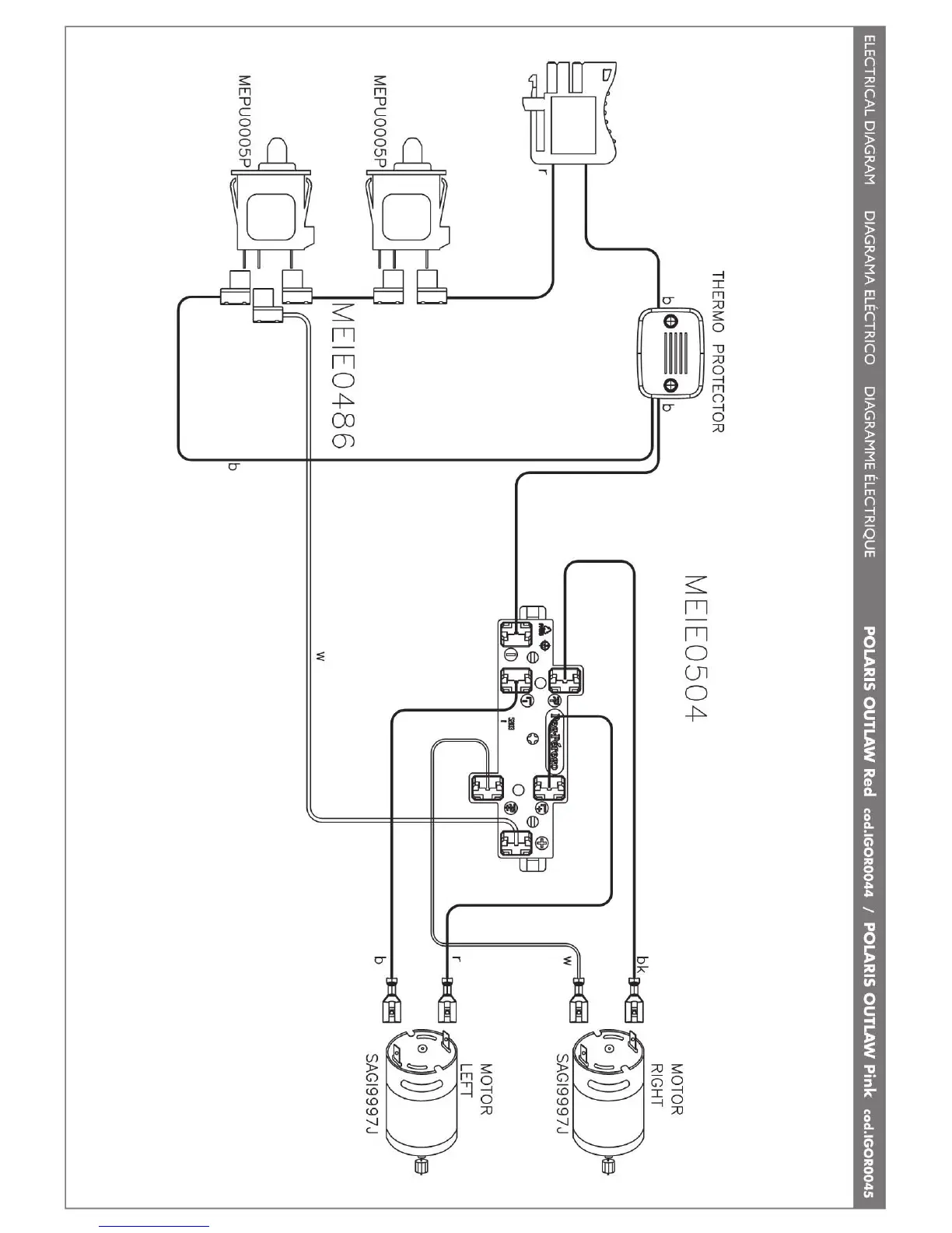
Peg-Perego Polaris Outlaw IGOR0044 - Vehicle Electrical Diagram

Peg-Perego Polaris Outlaw IGOR0044
24 pages
To Next Page IconTo Next Page
To Next Page IconTo Next Page
To Previous Page IconTo Previous Page
To Previous Page IconTo Previous Page
Loading...

Related product manuals