EasyManua.ls Logo

Pentair ULTRATEMP - Wiring Diagram - (Three Phase - 60 Hz); Power Connection

Pentair ULTRATEMP
37 pages
To Next Page IconTo Next Page
To Next Page IconTo Next Page
To Previous Page IconTo Previous Page
To Previous Page IconTo Previous Page
Loading...
ULTRATEMP
®
Heat Pump Installation and User’s Guide
10
ULTRATEMP
®
Heat Pump Installation and User’s Guide
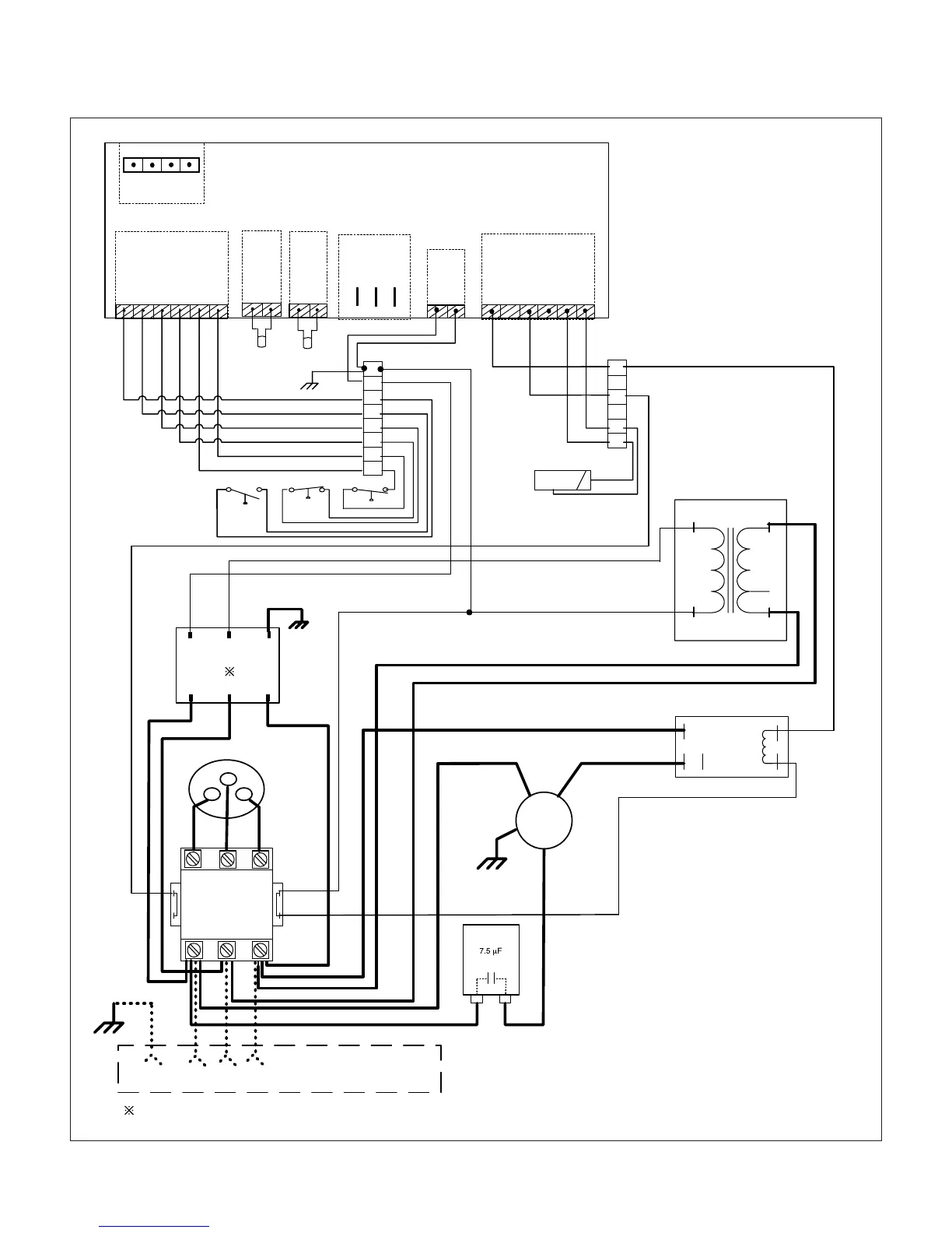
Wiring Diagram – (Three Phase – 60Hz)
Compressor
T1 T3
T2
24 VAC
C
O
M
P
R
E
S
S
O
R
F
A
N
L
O
W
P
R
E
S
H
I
P
R
E
S
R
E
V
E
R
S
I
N
G
V
A
L
V
E
F
L
O
W
10K ohm
Thermistors
1
2
3
4
5
6
Fan
Water Pres Sw
Lo Ref Pres Sw
Hi Ref Pres Sw
Heat Pump Control Board
TBL
TBR
Optional
Reversing Valve
1
2
3
4
5
6
7
8
WHITE
WHITE
BLUE
YELLOW
BLUE
YELLOW
WHITE
WHITE
BLACK
RED
BLACK
RED
RED
RED
BLACK
BLACK
RED
WHITE
GREEN
COM
SPA
POOL
INPUT
SWITCHES
J9
WTR
TEMP
J4
DEF
TEMP
J5
3-WIRE
REMOTE
TERM.
PWR
J7
RS-485
J8
INTELLITOUCH
CONNECTION
BLACK
OUTPUTS
J3
BLACK
PURPLE
BLACK
BLACK
Capacitor
Transformer
208V
240V
24 VAC
COM
Filter Pump
Contactor
Compressor
Contactor
Fan
Relay
NO
NC
WHITE
RED
BLACK
BLUE
BLUE
WHITE
PURPLE
ORANGE
BLACK
YELLOW/BLUE
TAN
WHITE
BROWN
BROWN
PINK
PURPLE
BROWN
BROWN
RED
BLACK
Incoming 230 VAC 60 Hz
3 Phase Power Connection
GREEN
PINK
TAN
ORANGE
BLACK
T1
T2
T3
L2
L3
L1
L1
L2 L3
Y-Out
CY
Phase Prot ect ion Devi ce
GRAY
ORANGE/BLACK
RED
YELLOW
GREEN
YELLOW/BLUE
RED
GRAY
THERM
1
THERM
2
GREEN
C
Note: If red LED is on, swap any two phases.
Label P/N 474022 Rev. B
Compressor
R
C
S
24 VAC
C
O
M
P
R
E
S
S
O
R
F
A
N
L
O
W
P
R
E
S
H
I
P
R
E
S
R
E
V
E
R
S
I
N
G
V
A
L
V
E
F
L
O
W
1
2
3
4
5
6
Fan
Water Pres Sw
Lo Ref Pres Sw
Hi Ref Pres Sw
Heat Pump Control Board
TBL
TBR
Optional
Reversing Valve
1
2
3
4
5
6
7
8
WHITE
WHITE
BLUE
YELLOW
BLUE
YELLOW
WHITE
WHITE
BLACK
RED
BLACK
RED
RED
RED
BLACK
BLACK
RED
PURPLE
WHITE
GREEN
P
U
M
P
COM
SPA POOL
INPUT
SWITCHES
J9
WTR
TEMP
J4
DEF
TEMP
J5
3 - WIRE
REMOTE
TERM.
PWR
J7
RS-485
J8
INTELLITOUCH
CONNECTION
BLACK
OUTPUTS
J3
BLACK
WHITE
PURPLE
BLACK
BLACK
Capacitor
COMPR FAN
FANHERM C
Transformer
208V
240V
24 VAC
COM
Fan
Relay
NO
NC
BLACK
RED
BLACK
BLUE
BLUE
WHITE
/RED
WHITE
/RED
WHITE/RED
WHITE
PURPLE
ORANGE
BLACK
YELLOW
TAN
WHITE
BROWN
BROWN
PINK
PURPLE
BROWN
BROWN
RED BLACK
WHITE/RED
Incoming 230 VAC
Power Connection
See Users Guide
for instructions on
connecting to filter
pump
AutoSet Contactor
GREEN
PINK
TAN
ORANGE
/RED
10K ohm
Thermistors
GREEN
Compressor
Contactor
THERM
1
THERM
2
C
Label P/N 473073 Rev. D

Table of Contents

Other manuals for Pentair ULTRATEMP

Related product manuals