EasyManua.ls Logo

Phase Linear 400 - Page 11

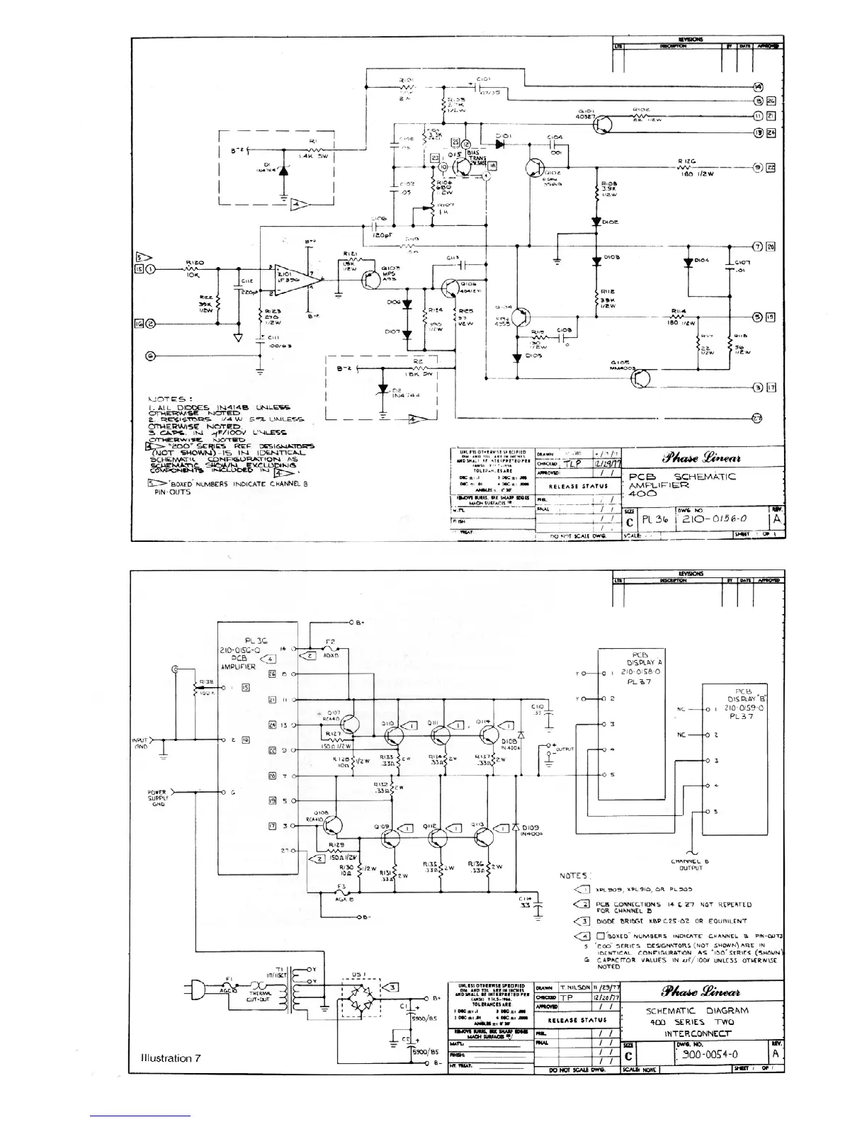
Phase Linear 400
13 pages
Print Icon
To Next Page IconTo Next Page
To Next Page IconTo Next Page
To Previous Page IconTo Previous Page
To Previous Page IconTo Previous Page
Loading...

Other manuals for Phase Linear 400

Related product manuals