EasyManua.ls Logo

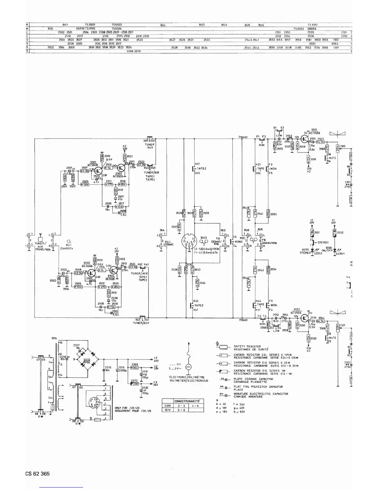
Philips 22ah270 - Component Information and Safety Notes; Component Types and Ratings

Philips 22ah270
10 pages
Print Icon
To Next Page IconTo Next Page
To Next Page IconTo Next Page
To Previous Page IconTo Previous Page
To Previous Page IconTo Previous Page
Loading...

Related product manuals