EasyManua.ls Logo

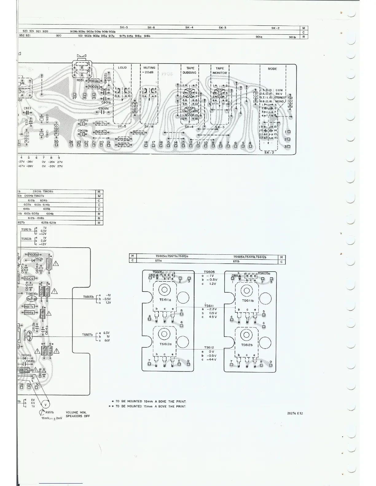
Philips 22AH396 - SK Module Schematics - Part 2; SK-8, SK-5, SK-4 Diagrams

Philips 22AH396
19 pages
Print Icon
To Next Page IconTo Next Page
To Next Page IconTo Next Page
To Previous Page IconTo Previous Page
To Previous Page IconTo Previous Page
Loading...

Related product manuals