EasyManua.ls Logo

Philips 22DC501/00 - Page 7

Philips 22DC501/00
46 pages
Print Icon
To Next Page IconTo Next Page
To Next Page IconTo Next Page
To Previous Page IconTo Previous Page
To Previous Page IconTo Previous Page
Loading...
PCS
59
712
I
eoR
DC585/515/525
on
|
|
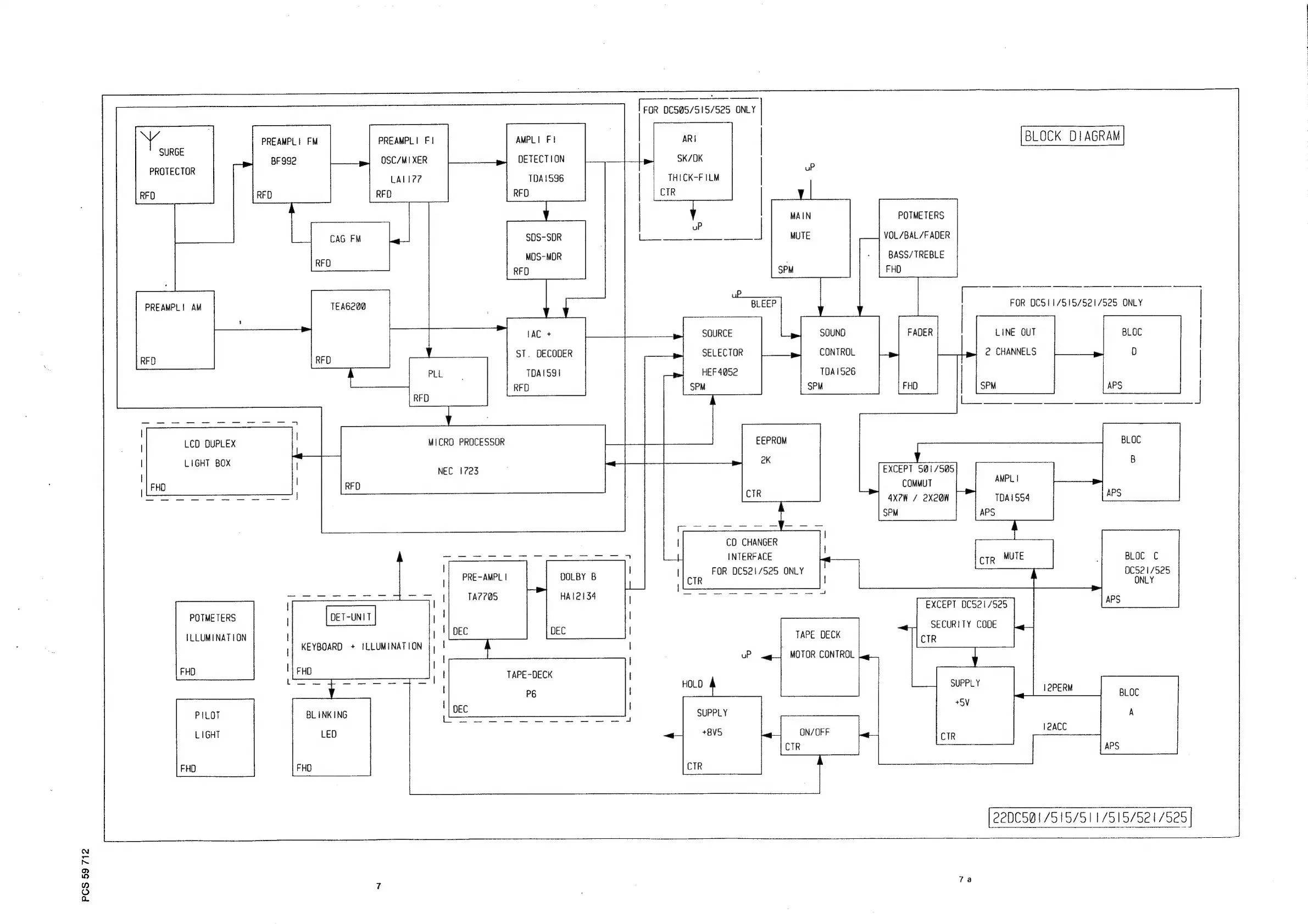
BLOCK
DIAGRAM
ARI
SK/OK
AMPLI
Fi
DETECTION
PREAMPL
| F
|
OSC/MIXER
PREAMPL|
FM
BF992
Y
SURGE
PROTECTOR
3
LALI77
TDAIS96
THICK-FILM
RFO
RFD
RFD
RFD
|
|
MAIN
POTMETERS
P
SDS-SOR
ic
|
MUTE
VOL/BAL/FADER
MOS-MDR
RFD
TEA6208
PREAMPL!
AM
TDAIS26
SPM
HEF
4052
SPM
TDAISSI
RFD
:
LCD
DUPLEX
MICRO
PROCESSOR
EEPROM
BLOC
|
LIGHT
BOX
eth
ah
2k
B
|
NEC
1723
EXCEPT
501/505
COMMUT
ANPL
|
|
|
CIR
4X2W
/
2X20W
TDAISS4
APS
SPM
APS
CD
CHANGER
INTERFACE
FOR
DC521/525
ONLY
BLOC
C
DCS21/525
ONLY
2
|
PRE-AMPL
|
DOLBY
B
CTR
TA??@5
HAI2134
fp
TT
=
EXCEPT
DC521/525
APS
pelea
SECURITY
CODE
ILLUMINATION
DEC
DEC
TAPE
DECK
aie
;
uP
~
MOTOR
CONTROL
FHD
TAPE-DECK
;
HOL
SUPPLY
P65
|
2PERM
nie
+5V
BL
INK
ING
SUPPLY
A
+8V5
ON/OFF
a
l2acc
CTR
APS
CTR
2200501
/515/511/515/521/525
|
.
BASS/TREBLE
SPM FHD
BLEEP
FOR
OCS11/515/521/525
ONLY
|
IAC
+
SOURCE
SOUND
FADER
|
LINE
OUT
BLOC
|
ST.
DECODER
SELECTOR
CONTROL
2
CHANNELS
D
|
FHO
APS