EasyManua.ls Logo

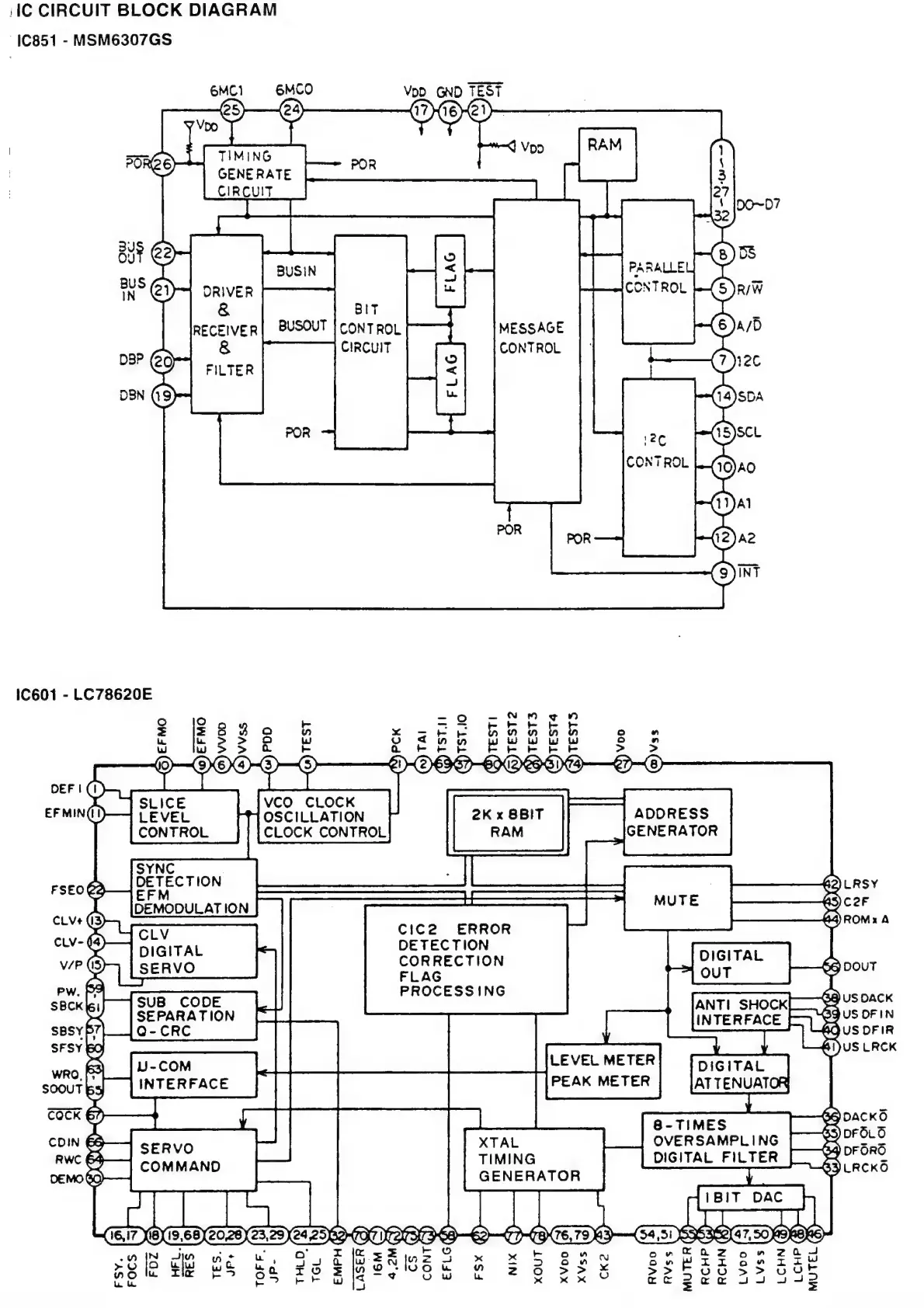
Philips 22RC026/00 - IC Circuit Block Diagrams; IC851 MSM6307 GS Block Diagram; IC601 LC78620 E Block Diagram

Philips 22RC026/00
39 pages
Print Icon
To Next Page IconTo Next Page
To Next Page IconTo Next Page
To Previous Page IconTo Previous Page
To Previous Page IconTo Previous Page
Loading...
ilC
CIRCUIT
BLOCK
DIAGRAM
10851
-
MSM6307GS
6MC}
6MCO
Vod
GND
TEST
he
GENE
RATE
CIRCUIT
ORIVER
&
CONTROL
FILTER
CONTROL
IC601
-
LC78620E
ADDRESS
GENERATOR
Seer
CIC2
ERROR
penn
DETECTION
DIGITAL
Aah
poo
FLAG
PROCESSING
(5)
ar
x
te
SUB
CODE
{|
SEPARATION
aol
sBsyp7)
Q-CRC
x
WRO,
SoouT
eg
jtareree
COCK
6?)
mc
aoe
=i
o—)
COMM
AND
8-TIMES
e-
OVERSAMPLING
[|
920FOL0
DIGITAL
FILTER
a
ea
LRCKO
IBIT
DAC
J
Sbcededoaae
CO?
AXLHTSS9—-E3—T
LONE,
79H
CA
EIEBAT
SONOS
W
oO
ws
i
O'
rjest,5
x
iF
o
Ww
AW
Toe
Ss
oS
ra
ois
Zig
w
&
Le
9
go
a
Wen
Be
2
w
=>
>
SOY
y
ovPILTov
iip
ee
rs
oS
ee
a
ON
ee
Oe
Re
re
oS

Related product manuals