EasyManua.ls Logo

Philips 22RC026/00 - IC Circuit Descriptions (Continued); IC650 - LA9240 MS Terminal Functions (Contd); IC651 - BA6999 FP Terminal Functions

Philips 22RC026/00
39 pages
Print Icon
To Next Page IconTo Next Page
To Next Page IconTo Next Page
To Previous Page IconTo Previous Page
To Previous Page IconTo Previous Page
Loading...
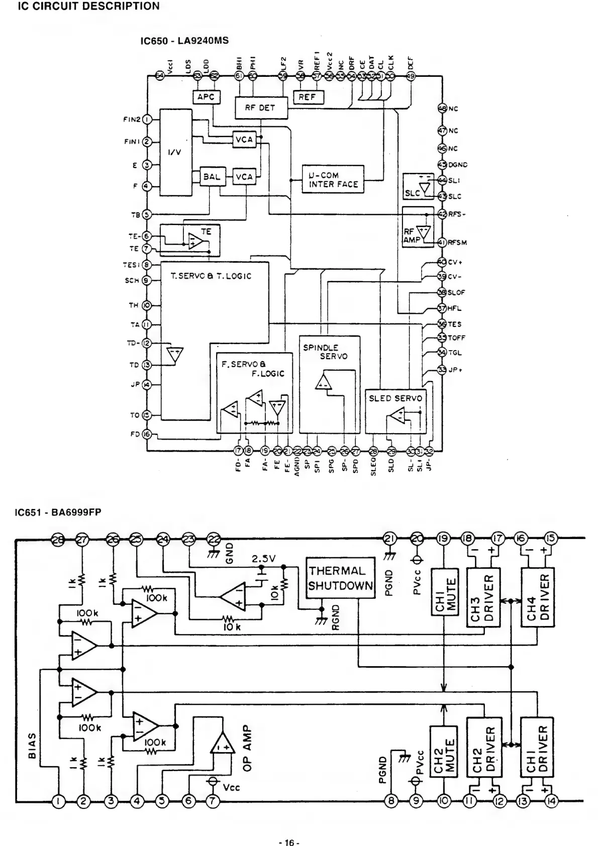
IC
CIRCUIT
DESCRIPTION
IC650
-
LA9240MS
INTER
FACE
SPINDLE
SERVO
FL
SERVO
G
F.LOGIC
IC651
-
BA6999FP
C9)
9)
9
3
C)
EO
A'—(8)-
1-1)
5)
THERMAL
SHUTDOWN
PGND
PVcc
@
CHI
MUTE
CH4
*
DRIVER
CH3
DRIVER
>
ee
en
a
ool
el
a
aa
ae
al
oe
OP
AMP
CH2
MUTE
CH2
:
DRIVER
ia
DRIVER
Onn
On
Oen®
S)
-
16
-

Related product manuals